crwdns2933423:0crwdne2933423:0

The LG 37LF65 LCD television, was released in 2007 and available in sizes: 32'' 37'' 42''.

LG TV no sound - model 47LE5900

Have no sound coming from my TV.

Have tried using headphones and get intermittent sound.

crwdns2934089:0crwdne2934089:0 crwdns2934093:0crwdne2934093:0

crwdns2934109:0crwdne2934109:0

crwdns2889612:0crwdne2889612:0 1

crwdns2944067:02crwdne2944067:0:

Hi @mcstringer ,

What is the signal source for the TV?

If a "box' of some description and not an antenna, have you tried different TV inputs, input types e.g. HDMI, Component video +audio, Composite video + audio, different cables or even a different signal source e.g. dvd player to check the audio?

crwdns2934271:0crwdnd2934271:0crwdne2934271:0

Hi jayeff.

I have tried 4 different TV inputs from 4 different devices with no joy. 3 HDMI inputs and 1 scart lead.

Cheers.

crwdns2934271:0crwdnd2934271:0crwdne2934271:0

crwdns2934285:0crwdne2934285:0

crwdns2933313:01crwdne2933313:0

Hi @mcstringer ,

It may be a that it is a faulty audio amp circuit in the TV although this doesn’t really explain satisfactorily why there is intermittent audio only in the headphones and not the main speakers as well.

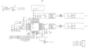
Here are some poor images (apologies) taken from the service manual that show that the audio is fed out of the TV’s CPU to the audio amp and then to the speakers and that the headphones have their own amp.

Block Image
Block Image

(click on images to enlarge for better viewing)

Sorry to be so vague but the TV will have to be opened and the problem further diagnosed as to the cause.

Note: The service manual can be used online. It is awkward however as you have to select the page number at the bottom below the document box every time that you wish to turn the page. To download it you need to register with the website.

crwdns2934105:0crwdne2934105:0

crwdns2889612:0crwdne2889612:0 0

crwdns2944067:02crwdne2944067:0:

Thank you for your response. It seems that the sound from the headphones has now gone too. I will take a look at the service manual. Cheers.

crwdns2934271:0crwdnd2934271:0crwdne2934271:0

Hi Mark, did you ever get to the bottom of this? I also have the same model of TV which has lost it's sound yesterday.

crwdns2934271:0crwdnd2934271:0crwdne2934271:0

crwdns2934285:0crwdne2934285:0

crwdns2934229:0crwdne2934229:0

Mark Stringer crwdns2934231:0crwdne2934231:0
crwdns2936625:0crwdne2936625:0:

crwdns2936751:024crwdne2936751:0 0

crwdns2936753:07crwdne2936753:0 4

crwdns2936753:030crwdne2936753:0 10

crwdns2942667:0crwdne2942667:0 704