crwdns2933423:0crwdne2933423:0

Repair and disassembly guides for electronic keyboards.

Yamaha P-45 Wont Turn On and switched Power Supply

My Yamaha P-45 Digital Piano Won’t turn on, I switched the power supply and still it isn’t turning on, I have a feeling I have to switch the internal power supply, but don’t have experience in that and would love some help on what you might think it is,

Thank you very much for your time!

crwdns2934081:0crwdne2934081:0 crwdns2934083:0crwdne2934083:0 crwdns2934093:0crwdne2934093:0

crwdns2934109:0crwdne2934109:0

crwdns2889612:0crwdne2889612:0 1
crwdns2934285:0crwdne2934285:0

crwdns2933315:02crwdne2933315:0

crwdns2934051:0crwdne2934051:0

Hi @onlaf ,

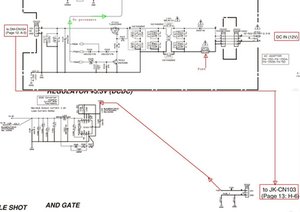
Couldn’t find the service manual for a P-45 keyboard, but looking at the P-45B service manual the 12V DC input is applied to the control processor circuitry and then to a 3.3V regulator once the power has been turned by the operation of the Power switch in the keyboard. There is no separate internal power supply in the keyboard.

Hopefully the P45-B is similar to the P45 as far as the power supply is concerned, so since you have switched power adapters and it still doesn’t turn on you may have to start tracing the power input circuit to find out what is wrong.

Here’s an cropped compilation image showing the 12V power input circuit. There is a fuse in the circuit on the JK board which you may want to check first and then the power goes from the JK board to the DM board through a cable harness, so maybe one of the cable connectors at either end may have come a bit loose etc.

If the power is OK going to the DM board then you may have to check if the Power switch is OK

The service manual gives details on how to dis-assemble the keyboard as well as the board layout etc

Block Image

(click on image to enlarge for better viewing)

Hopefully a start.

Be patient if you go to download the service manual as it takes a bit of time to change from processing to download after you have passed the recaptcha test.

crwdns2934105:0crwdne2934105:0

crwdns2889612:0crwdne2889612:0 0

crwdns2944067:03crwdne2944067:0:

First of all, the manuals link is here https://www.musikkhandel.no/media/files/...

Second of all, I don't know how to do these things if you know of any videos or manuals i could read on this that would be great,

Thank you very much!

crwdns2934271:0crwdnd2934271:0crwdne2934271:0

@onlaf

You have linked the owner manual which is not the service manual.

The service manual has the electrical circuits that show how the keyboard operates not how to use it.

If you have a DMM (digital multimeter) and know how to use it and know how to read electrical circuits then the service manual I linked may still help.

if you don't know then it will be very difficult for you.

You would need to read the user manual for a DMM and then know what the various electrical terms meant, e.g. Voltage ,current, resistance, and what the symbols represent for the various components in the circuit.

Like most occupations electronics repair is a skill which requires training and is not easily picked up in a day or so

There is a lot of information online if you want to research this e,g, how to use a multimeter or how to read a circuit etc.

Be aware that when you start to test and if you have to connect power to the keyboard as part of the testing process, even though 12V DC won't harm you it can still damage components if you make a mistake.

Not trying to dissuade you just pointing out the realities .

crwdns2934271:0crwdnd2934271:0crwdne2934271:0

Thank you I do have expeirience and also learnt physics so i knew the basic outline of what your saying but how to find my way on the board and internally is the hard part so thank you for the manual, as well as for the help!

crwdns2934271:0crwdnd2934271:0crwdne2934271:0

crwdns2934285:0crwdne2934285:0

Had the same problem. Went the lazy man´s path and replaced the power jack board. About $ 50.00 and now it is up and running.

Consider this: medium cost labour/low cost parts vs low cost labour/high cost parts. On top of that limitations in know how.

I am learning electronics step by step from zero. Just didn´t have enough patience and time to wait until I could solve it replacing components.

Hope it gives some insight.

crwdns2934105:0crwdne2934105:0

crwdns2889612:0crwdne2889612:0 0
crwdns2934285:0crwdne2934285:0

crwdns2934229:0crwdne2934229:0

Levi Clapman crwdns2934231:0crwdne2934231:0
crwdns2936625:0crwdne2936625:0:

crwdns2936751:024crwdne2936751:0 3

crwdns2936753:07crwdne2936753:0 24

crwdns2936753:030crwdne2936753:0 108

crwdns2942667:0crwdne2942667:0 8,459