crwdns2933423:0crwdne2933423:0

AM/FM cassette Walkman released in 1986 and originally priced at $65

Walkman WM-F17 motor does not spin

The belts are fine they stretchy I still replaced them for future proofing. But the motor still won’t spin so I hooked it up to batteries directly and it worked. The battery contacts are fine and i hooked up 3v to the power pads directly and the motor won’t spin.

Badger

crwdns2934089:0crwdne2934089:0 crwdns2934093:0crwdne2934093:0

crwdns2934109:0crwdne2934109:0

crwdns2889612:0crwdne2889612:0 0
crwdns2934285:0crwdne2934285:0

crwdns2933313:01crwdne2933313:0

crwdns2934057:0crwdne2934057:0

Hi @badgerisking ,

Did you test the motor windings with an Ohmmeter to make sure that the motor is OK, you didn’t say?

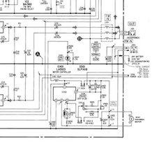
Here’s an image of part of the motor circuit taken from the service manual for the player. Be patient when going to download it, as it takes a little while to go from processing to download after you have passed the recaptcha check.

Block Image

(click on image to enlarge for better viewing)

The manual has all the component part numbers as well. If the motor itself is faulty, searching for Sony X-3317-234-1 only gives the one result for a supplier who states that it is NLA.

crwdns2934105:0crwdne2934105:0

crwdns2889612:0crwdne2889612:0 1

crwdns2944067:02crwdne2944067:0:

I will check this out and will keep you updated

crwdns2934271:0crwdnd2934271:0crwdne2934271:0

did you check it out? I have a motor that won't spin too

crwdns2934271:0crwdnd2934271:0crwdne2934271:0

crwdns2934285:0crwdne2934285:0

crwdns2934229:0crwdne2934229:0

Badger crwdns2934231:0crwdne2934231:0
crwdns2936625:0crwdne2936625:0:

crwdns2936751:024crwdne2936751:0 0

crwdns2936753:07crwdne2936753:0 3

crwdns2936753:030crwdne2936753:0 12

crwdns2942667:0crwdne2942667:0 803