crwdns2933423:0crwdne2933423:0

This is the first generation of the Ford Escape, a compact crossover SUV. Production started in 2000 for the 2001 model year.

Brake light issue and stuck in park

I have changed the brake light switch already and checked all fuses still no brake lights and will not engage out of park this happened to me before and I changed the brake light switch and found a fuse that was blown and that solve the problem but this time all I did was stop the vehicle put it in park shut it off want to leave I want to come out of park and I have no brake lights and all the fuses are good I checked every single one can’t find a problem??? There are two switches on my brake pedal one is the brake light switch in the other is white I’m not sure it looks similar to the brake light switch can you tell me what that might be too?

crwdns2934089:0crwdne2934089:0 crwdns2934093:0crwdne2934093:0

crwdns2934109:0crwdne2934109:0

crwdns2889612:0crwdne2889612:0 0
crwdns2944067:03crwdne2944067:0

Back brake lights blows fuse and back hatch door does not open

crwdns2934271:0crwdnd2934271:0crwdne2934271:0

My car is 2007 escape and it won’t come outta park but if I press this button wit a screwdriver or knife I can make it out what fuse would that be also my right turn signal stopped working right before

crwdns2934271:0crwdnd2934271:0crwdne2934271:0

Brake pedal position sensor

crwdns2934271:0crwdnd2934271:0crwdne2934271:0

crwdns2934285:0crwdne2934285:0

crwdns2933315:02crwdne2933315:0

crwdns2934057:0crwdne2934057:0

Hi @ashcashhh1023 ,

Check 10A fuse #32 Brake - transmission shift lock, passenger compartment fuse block

crwdns2934105:0crwdne2934105:0

crwdns2889612:0crwdne2889612:0 2
crwdns2934285:0crwdne2934285:0

Hi @bones169 ,

What is the year model of the vehicle as there are wiring differences between the models from 2001-2006.

The 2004 model shows that the not only does the brake pedal switch operate the brake lights but it also sends a signal to the shift interlock system via the connection at the electronic flasher module, which is most probably why you can’t disengage park.

Do you need to operate the brake pedal to shift the gear lever out of park?

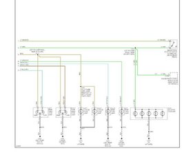
Here’s an image of the wiring for the 2004 Escape from the service manual.

Since none of the stop lights are working you may have to check out the wiring near the taillights as shown in the diagram as the right stop light should work even if the others don’t because the wire should go straight to there from the switch, as long as it gets through the breakout box of course

Block Image

(click on image to enlarge for better viewing)

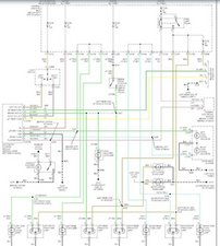
The 2001 model wiring is similar although it doesn’t show the wiring to the shift interlock coming from the brake pedal switch circuit so I don’t know why you can’t shift out of park if you have this year model

Block Image

(click on image to enlarge for better viewing)

The 2006 model is different yet again as the high mounted stop light should work even if the others don’t if the wiring from the switch is OK and it can be seen that the brake pedal switch also signals the powertrain control module (PCM) presumably to release the shift interlock. The other stop lights are operated from a control module, not sure if it the ABS control module or the body control module as I didn’t look into it that far.

Block Image

(click on image to enlarge for better viewing)

Here’s the 2001-2006 Ford Escape Repair Manual and Wiring Diagrams scroll down to Electrical and select the wiring diagram that suits to get more detailed wiring information.

Hopefully a start.

crwdns2934105:0crwdne2934105:0

crwdns2889612:0crwdne2889612:0 0
crwdns2934285:0crwdne2934285:0

crwdns2934229:0crwdne2934229:0

tommykelly1982 crwdns2934231:0crwdne2934231:0
crwdns2936625:0crwdne2936625:0:

crwdns2936751:024crwdne2936751:0 6

crwdns2936753:07crwdne2936753:0 11

crwdns2936753:030crwdne2936753:0 62

crwdns2942667:0crwdne2942667:0 4,101