crwdns2933423:0crwdne2933423:0

The Saturn Relay was the first and only minivan from the Saturn brand of American automaker General Motors and was built alongside its sisters, the Buick Terraza, the Chevrolet Uplander, and the Pontiac Montana SV6.

Odometer quit, why 2006 Saturn Vue

What causes the odometer and speedometer to stop working?

crwdns2934089:0crwdne2934089:0 crwdns2934093:0crwdne2934093:0

crwdns2934109:0crwdne2934109:0

crwdns2889612:0crwdne2889612:0 0
crwdns2947414:01crwdne2947414:0

How does the vehicle run otherwise? Any hesitation? Stalling? ECL?

crwdns2934271:0crwdnd2934271:0crwdne2934271:0

crwdns2934285:0crwdne2934285:0

crwdns2933313:01crwdne2933313:0

crwdns2934057:0crwdne2934057:0

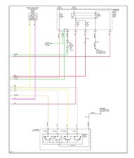
Pam Francis old question and most likely no longer relevant. Probably got fixed already. Number one suspect with this is always the speed senor on your transmission. No speed sensor signal means your speedometer and odometer will not be working. Of course it can be the BCM, bad wiring, bad instrument cluster and many more parts in between but you want to start buy checking the sensor first.

Block Image

crwdns2934105:0crwdne2934105:0

crwdns2889612:0crwdne2889612:0 1
crwdns2934285:0crwdne2934285:0

crwdns2934229:0crwdne2934229:0

Pam Francis crwdns2934231:0crwdne2934231:0
crwdns2936625:0crwdne2936625:0:

crwdns2936751:024crwdne2936751:0 1

crwdns2936753:07crwdne2936753:0 4

crwdns2936753:030crwdne2936753:0 16

crwdns2942667:0crwdne2942667:0 467