crwdns2933423:0crwdne2933423:0
crwdns2947577:0crwdnd2947577:0crwdne2947577:0

The 8th generation (E110) of Toyota's best-selling compact car.

How do I increase wiper delay?

How do I increase wiper delay on 1999 Toyota Corolla ?

crwdns2934089:0crwdne2934089:0 crwdns2934093:0crwdne2934093:0

crwdns2934109:0crwdne2934109:0

crwdns2889612:0crwdne2889612:0 0
crwdns2934285:0crwdne2934285:0

crwdns2933313:01crwdne2933313:0

crwdns2934057:0crwdne2934057:0

sailboatjimm  here are the instructions for your intermittent wipers from the owner's manual

Block Image

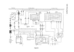
Update (01/10/2020)

added the wiring diagram for your wiper system. Just in case you are running into trouble with the different switch and relay.

Block Image

crwdns2934105:0crwdne2934105:0

crwdns2889612:0crwdne2889612:0 3

crwdns2947414:01crwdne2947414:0:

My wiper control is type "A"...….delay is non-adjustable. So I ordered a type "B" from Ebay.....which is not difficult to install...….and will allow me to increase wiper delay considerably. -------sailboatjimm

crwdns2934271:0crwdnd2934271:0crwdne2934271:0

crwdns2934285:0crwdne2934285:0

crwdns2934229:0crwdne2934229:0

sailboatjimm crwdns2934231:0crwdne2934231:0
crwdns2936625:0crwdne2936625:0:

crwdns2936751:024crwdne2936751:0 1

crwdns2936753:07crwdne2936753:0 5

crwdns2936753:030crwdne2936753:0 16

crwdns2942667:0crwdne2942667:0 208