crwdns2933423:0crwdne2933423:0

The first generation (KJ) Jeep Liberty, a compact 4-door SUV. Sold in both 2WD and 4WD configurations.

cluster gauge shift indicator light not working

2006 jeep liberty my cluster gauge shift indicator light not working, check my fuses there good anyone no what could

crwdns2934089:0crwdne2934089:0 crwdns2934093:0crwdne2934093:0

crwdns2934109:0crwdne2934109:0

crwdns2889612:0crwdne2889612:0 0
crwdns2944067:05crwdne2944067:0

The light in the instrument cluster or the one on the shifter itself?

crwdns2934271:0crwdnd2934271:0crwdne2934271:0

The shifter light

crwdns2934271:0crwdnd2934271:0crwdne2934271:0

The PRNDL light by the shifter?

crwdns2934271:0crwdnd2934271:0crwdne2934271:0

Yes the PRNDL indicator light

crwdns2934271:0crwdnd2934271:0crwdne2934271:0

The light indicator in the cluster

crwdns2934271:0crwdnd2934271:0crwdne2934271:0

crwdns2934285:0crwdne2934285:0

crwdns2933313:01crwdne2933313:0

crwdns2934057:0crwdne2934057:0

Hi,

Have you checked that the lamp itself in the shift assembly is OK, you didn’t say?

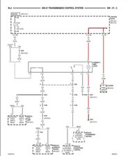
Here’s an image taken from the 2006 Jeep Liberty repair manual wiring section

It shows that power for the shift assembly lamp is the same power that supplies the instrument cluster panel lamps.

If the instrument panel lights are working then you need to check if there is power coming from terminal 21 of the junction terminal block ( see p.8W12-2 & 8W12-3 in the manual, orange / brown wire) or if it is getting to terminal 1 of the shift lever assembly block.

If the power is OK at the shift lever assembly block and the lamp is OK check that there is an earth at terminal 2 of the shift lever assembly block.

Block Image

(click on image to enlarge for better viewing)

crwdns2934105:0crwdne2934105:0

crwdns2889612:0crwdne2889612:0 1

crwdns2944067:03crwdne2944067:0:

Is this under the hood diagram?

crwdns2934271:0crwdnd2934271:0crwdne2934271:0

Hi,

It is a diagram of how the wires run from the fuse block, wherever that is, to the shift selector and other parts of the transmission control system so parts may be under the hood, and others are inside the cabin.

I don't know about your car but I know how to read a circuit ;-)

Check if you get power for the lamp on terminal 1 of the wiring connector at the shift lever assembly when the shift indicator light in the instrument panel is on, as it is the same power feed and you said that this lamp works OK.

If there is no power there then go back to the fuse panel and check if it is leaving there on the terminal indicated in the diagram above. If it is there then there is a break in the wiring to the lamp. Check the harness connections for the wire. may be easier at the shift selector first.

If you do get power at the shift lever wiring connector then check for an earth at pin 2 and / or check that the lamp is OK

crwdns2934271:0crwdnd2934271:0crwdne2934271:0

Ok I will in a bit thank u

crwdns2934271:0crwdnd2934271:0crwdne2934271:0

crwdns2934285:0crwdne2934285:0

crwdns2934229:0crwdne2934229:0

Rene Silva crwdns2934231:0crwdne2934231:0
crwdns2936625:0crwdne2936625:0:

crwdns2936751:024crwdne2936751:0 0

crwdns2936753:07crwdne2936753:0 12

crwdns2936753:030crwdne2936753:0 28

crwdns2942667:0crwdne2942667:0 1,836