crwdns2933423:0crwdne2933423:0

The Toyota Corolla is a line of subcompact and compact cars manufactured by Toyota. Introduced in 1966, the Corolla was the best-selling car worldwide by 1974 and has been one of the best-selling cars in the world since then. In 1997, the Corolla became the best selling nameplate in the world, surpassing the Volkswagen Beetle.

High beams will not activate

2005 corolla, High beam will not activate when the switch is placed in the high beam position. The indicator light on the dash does not activate either. When the switch is placed in the temporary high beam position, the headlights and the light on the dash work properly. The low beams work properly. I have replaced the switch on the column, checked all relays and fuses and bulbs, everything is working properly. What should I do next?

Update (10/22/2019)

I have already replaced the dimmer relay. That did not fix the

crwdns2934089:0crwdne2934089:0 crwdns2934093:0crwdne2934093:0

crwdns2934109:0crwdne2934109:0

crwdns2889612:0crwdne2889612:0 0
crwdns2944067:03crwdne2944067:0

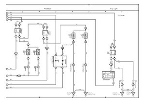
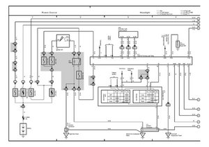
The schematic is there for your pleasure, troubleshooting with a volt meter is next, the DRL is looking suspect but the proof is in the voltage measurements my friend.

crwdns2934271:0crwdnd2934271:0crwdne2934271:0

I have the same problem. How did you fix it ? If you did.

crwdns2934271:0crwdnd2934271:0crwdne2934271:0

Having the exact same problem with my 05 were you able to figure it out? Just installed new headlights

crwdns2934271:0crwdnd2934271:0crwdne2934271:0

crwdns2934285:0crwdne2934285:0

crwdns2933315:02crwdne2933315:0

crwdns2934057:0crwdne2934057:0

@greyghost1968 since you already changed the switch etc. the only thing left is really your relay. Of course that assumes that you checked all the connectors to ensure they are in good working order (no corrosion etc.) Maybe instead of checking it try to replace it.

Block Image
Block Image

crwdns2934105:0crwdne2934105:0

crwdns2889612:0crwdne2889612:0 1
crwdns2934285:0crwdne2934285:0

When you manually Flash to Pass you are manually providing a ground for the high beams and the indicator. When you push into high beams, the Dimmer Relay is doing the work through the Daytime Running Lights Relay assembly which may also be your problem. Swap the dimmer relay with a different, same style, relay to test that part.

crwdns2934105:0crwdne2934105:0

crwdns2889612:0crwdne2889612:0 0
crwdns2934285:0crwdne2934285:0

crwdns2934229:0crwdne2934229:0

James Shepard crwdns2934231:0crwdne2934231:0
crwdns2936625:0crwdne2936625:0:

crwdns2936751:024crwdne2936751:0 0

crwdns2936753:07crwdne2936753:0 1

crwdns2936753:030crwdne2936753:0 24

crwdns2942667:0crwdne2942667:0 3,903