crwdns2933423:0crwdne2933423:0

The Maxima was redesigned for the 2009 model year and made its debut at the 2008 New York International Auto Show.

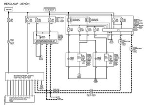
Headlamp only works on high beam

2012 Nissan Maxima- Passenger side headlamp only works on low beam. Bulb is fine. How do I determine what else it could be? Ballast? Relay? Fuse?

crwdns2934089:0crwdne2934089:0 crwdns2934093:0crwdne2934093:0

crwdns2934109:0crwdne2934109:0

crwdns2889612:0crwdne2889612:0 0
crwdns2934285:0crwdne2934285:0

crwdns2933315:03crwdne2933315:0

crwdns2934057:0crwdne2934057:0

promo2110 your lights are fused separately and divided in left and right as well as further into high and low beam. For your Hi beam on the RH side check fuse number 49 which is a 10A fuse in the fuse box (Intelligent Power Distribution Module ;-) in the engine compartment. Sure it could be the control unit or the bulb but check one thing at a time. A simple check would be to flip the lights. If the current RH side works on the LH side and the RH side still does not work you know it’s somewhere in the IPDM CPU etc.

Block Image

crwdns2934105:0crwdne2934105:0

crwdns2889612:0crwdne2889612:0 2
crwdns2934285:0crwdne2934285:0

Generally, lamps and other accessories are connected in groups sharing the same fuse, so if there a problem with the fuse then you’ll notice it in different areas, I know this will sound a little bit weird but have you bought the right lamp model? If you don’t know then compare it to the old one and to be sure that the lamp is working fine, you can test it directly with battery.

crwdns2934105:0crwdne2934105:0

crwdns2889612:0crwdne2889612:0 1

crwdns2947414:01crwdne2947414:0:

@vertinhol not these lights.

crwdns2934271:0crwdnd2934271:0crwdne2934271:0

crwdns2934285:0crwdne2934285:0
  • The cause: A burned out bulb, or a problem with the high beam switch or relay.
  • The fix: Replace the bulb, switch, or relay.
  • If just one bulb fails to work in either high beam mode or low beam mode, it may be the bulb. Most headlight failures that are limited to just high or low beams are related to a relay or the high beam control switch.

crwdns2934105:0crwdne2934105:0

crwdns2889612:0crwdne2889612:0 1
crwdns2934285:0crwdne2934285:0

crwdns2934229:0crwdne2934229:0

promo2110 crwdns2934231:0crwdne2934231:0
crwdns2936625:0crwdne2936625:0:

crwdns2936751:024crwdne2936751:0 1

crwdns2936753:07crwdne2936753:0 9

crwdns2936753:030crwdne2936753:0 37

crwdns2942667:0crwdne2942667:0 8,099