crwdns2933423:0crwdne2933423:0
crwdns2947577:0crwdnd2947577:0crwdne2947577:0

The Jeep Cherokee (XJ) is a compact SUV that was manufactured and marketed by Jeep from 1997 to 2001. Sharing the name of the original full-size SJ model, but without a traditional body-on-frame chassis, the XJ instead featured a light-weight unibody design.

Replacement hatch wiring does not match

2000 Jeep Cherokee Sport I backed into telephone pole.

Acquired replacement hatch salvage yard. May have been different year possibly 2001

Wiring harness does not match.

Is there an adapter

Best simplest intervention

crwdns2934089:0crwdne2934089:0 crwdns2934093:0crwdne2934093:0

crwdns2934109:0crwdne2934109:0

crwdns2889612:0crwdne2889612:0 0
crwdns2947414:01crwdne2947414:0

@ptgolfer7 post some pictures of both connectors and see if you can show the wire colors so we can see what you see.

Adding images to an existing question

crwdns2934271:0crwdnd2934271:0crwdne2934271:0

crwdns2934285:0crwdne2934285:0

crwdns2933313:01crwdne2933313:0

crwdns2934057:0crwdne2934057:0

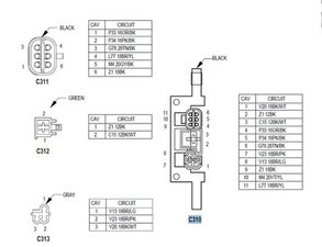
@ptgolfer7 Some of this will also depend on the electrical components in your tailgate. Anyhow, here are the wiring colors for some of those

Black/White==>Rear window defogger

Black/Yellow==> License Lamp

Brown/Pink==> Rear Wiper Motor

Orange/Black==> Liftgate Lock Motor

Violet/Yellow==> Liftgate Switch

Block Image

Here are the connectors

Block Image

crwdns2934105:0crwdne2934105:0

crwdns2889612:0crwdne2889612:0 1
crwdns2934285:0crwdne2934285:0

crwdns2934229:0crwdne2934229:0

Alan Klein crwdns2934231:0crwdne2934231:0
crwdns2936625:0crwdne2936625:0:

crwdns2936751:024crwdne2936751:0 0

crwdns2936753:07crwdne2936753:0 4

crwdns2936753:030crwdne2936753:0 18

crwdns2942667:0crwdne2942667:0 1,517