crwdns2933423:0crwdne2933423:0

Where is the horn relay located

I need help with my horn

crwdns2934081:0crwdne2934081:0 crwdns2934083:0crwdne2934083:0 crwdns2934093:0crwdne2934093:0

crwdns2934109:0crwdne2934109:0

crwdns2889612:0crwdne2889612:0 0
crwdns2934285:0crwdne2934285:0

crwdns2933315:02crwdne2933315:0

crwdns2934051:0crwdne2934051:0

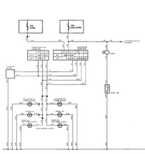
alan.thomas65  it’s in the fuse box on the left side of the drivers compartment. Relay C in the image

Newer than '88 model

Block Image

These are from an '86

Block Image
Block Image

Horn wiring

Block Image

crwdns2934105:0crwdne2934105:0

crwdns2889612:0crwdne2889612:0 4

crwdns2944067:08crwdne2944067:0:

the diagram you've posted is not for a 84-88. the fuse block in the drivers footwell looks nothing like that and it doesn't have any relays. I'm having the same issue and will continue to trouble shoot. when i put power to the blue and yellow wire the horn will work, just have to figure out where the horn gets the power from.

crwdns2934271:0crwdnd2934271:0crwdne2934271:0

@Daniel Miller You are right. That was for a later model! As for your horn, Japanese vehicles are wired differently. They send power from the fuse to the horn, then to the switch. So when the switch closes , the power flows through the switch to the ground, this is known as "switched ground". Your power should come from the hazard flasher circuit.

crwdns2934271:0crwdnd2934271:0crwdne2934271:0

my hazards are working but no my horn tho

crwdns2934271:0crwdnd2934271:0crwdne2934271:0

@marcusadie671 did you check the horn? did you check to see if you get the power? What have you checked? Same make and model vehicle?

crwdns2934271:0crwdnd2934271:0crwdne2934271:0

I don't know how old that threat is however you may want to check the wiring that's in your wheel well you're going to have to strip your sheathing back and check your bundle of wires somewhere in there there's a spot where they connect wires together for power and I'm betting that your problem is in that Loom you have a corroded connection or a broken wire I had the same thing on my 84 happened to me years ago

crwdns2934271:0crwdnd2934271:0crwdne2934271:0

crwdns2934275:03crwdne2934275:0

crwdns2934285:0crwdne2934285:0

I have the same problem and find that rats chewed my wires ……power is always there but ground was the issue

crwdns2934105:0crwdne2934105:0

crwdns2889612:0crwdne2889612:0 0
crwdns2934285:0crwdne2934285:0

crwdns2934229:0crwdne2934229:0

alan.thomas65 crwdns2934231:0crwdne2934231:0
crwdns2936625:0crwdne2936625:0:

crwdns2936751:024crwdne2936751:0 12

crwdns2936753:07crwdne2936753:0 64

crwdns2936753:030crwdne2936753:0 258

crwdns2942667:0crwdne2942667:0 9,250