crwdns2933423:0crwdne2933423:0

Repair guides and support for the Canon Speedlite 430EX II external flash assembly.

Speedlite 430 EX ii wires resoldering

Hi Everyone,

So I was shooting on a tripod this afternoon when I suddenly tripped on said tripod. It fell on the floor with the flash mounted to top of the camera. The top part of the flash detached leaving the base mount stuck in the camera. Only 3 wires out of 5 remained soldered. I had to force-remove the remaining wires in order to be able to detach the mount from the camera. Here's a picture to better illustrate what I mean. Besides that, I might need to work on the lock mechanism which seems a little off as well.

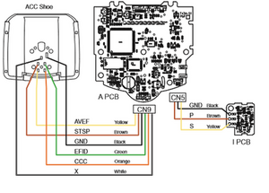
So the big question for now is which wire goes where? if someone has a diagram, that would be great as I couldn't find any online.

Thanks in advance!

eric.

crwdns2934089:0crwdne2934089:0 crwdns2934093:0crwdne2934093:0

crwdns2934109:0crwdne2934109:0

crwdns2889612:0crwdne2889612:0 0
crwdns2934285:0crwdne2934285:0

crwdns2933313:01crwdne2933313:0

Hi Eric,

Please see attached pictures.

Block Image
Block Image

Let me know if you need any others.

Greetings from South Africa.

crwdns2934105:0crwdne2934105:0

crwdns2889612:0crwdne2889612:0 0
crwdns2934285:0crwdne2934285:0

crwdns2934229:0crwdne2934229:0

eric duong-lamoureux crwdns2934231:0crwdne2934231:0
crwdns2936625:0crwdne2936625:0:

crwdns2936751:024crwdne2936751:0 1

crwdns2936753:07crwdne2936753:0 3

crwdns2936753:030crwdne2936753:0 9

crwdns2942667:0crwdne2942667:0 151