crwdns2933423:0crwdne2933423:0

Repair and disassembly guides for guitar amplifiers.

no power on fender princeton 112 plus

I turned on my amp and no power. Have checked on/off switch, (good), capacitor, no power coming out. (Basler BE 2526901, PO 29668; 695-9801; no longer listed on company parts charts).

Does anyone know a replacement part for this part? Amp selling in my area is going for $130.00 or so. Is it worth trying to fix?

Thanx

crwdns2934089:0crwdne2934089:0 crwdns2934093:0crwdne2934093:0

crwdns2934109:0crwdne2934109:0

crwdns2889612:0crwdne2889612:0 1
crwdns2934285:0crwdne2934285:0

crwdns2933313:01crwdne2933313:0

crwdns2934057:0crwdne2934057:0

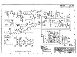
@fita1200 start by checking the fuse to make sure that you have continuity. If you do and you have power on there, check the test points on the board (TP) to see where you are showing power etc.

Block Image

You said that "Have checked on/off switch, (good), capacitor, no power coming out." It will help if you tell us which capacitor you checked and how you determined it was okay. Also, why you were looking at a specific capacitor. Post some good images of what and where you are measuring with your question. That way we can see what you see. Use this guide Adding images to an existing question for that.

crwdns2934105:0crwdne2934105:0

crwdns2889612:0crwdne2889612:0 2
crwdns2934285:0crwdne2934285:0

crwdns2934229:0crwdne2934229:0

Les crwdns2934231:0crwdne2934231:0
crwdns2936625:0crwdne2936625:0:

crwdns2936751:024crwdne2936751:0 0

crwdns2936753:07crwdne2936753:0 2

crwdns2936753:030crwdne2936753:0 13

crwdns2942667:0crwdne2942667:0 541