crwdns2933423:0crwdne2933423:0
crwdns2947577:0crwdnd2947577:0crwdne2947577:0

Toyota's 7th generation pickup, but first generation of the Tacoma branded truck designed specifically for the American market. Featured brand new sheet metal, new frame, fresh suspension and three new powerful engines.

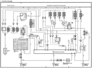
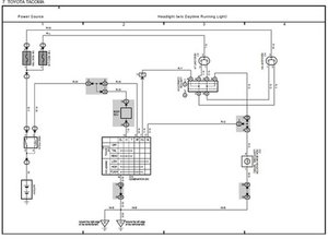
Left high beam malfunction

My left high beam does not work on my 1996 Toyota Tacoma even with new lamp and relay. Solution?

crwdns2934081:0crwdne2934081:0 crwdns2934083:0crwdne2934083:0 crwdns2934093:0crwdne2934093:0

crwdns2934109:0crwdne2934109:0

crwdns2889612:0crwdne2889612:0 0
crwdns2947414:01crwdne2947414:0

Thanks, will look into it☺

crwdns2934271:0crwdnd2934271:0crwdne2934271:0

crwdns2934285:0crwdne2934285:0

crwdns2933313:01crwdne2933313:0

crwdns2934051:0crwdne2934051:0

@hannibal316 check the socket and see if you have power coming to it when you turn your Hi-beams on. If you lamp is new and the relay is new you are most likely having an issue with the socket/wiring.

Block Image
Block Image

crwdns2934105:0crwdne2934105:0

crwdns2889612:0crwdne2889612:0 3
crwdns2934285:0crwdne2934285:0

crwdns2934229:0crwdne2934229:0

Hannibal crwdns2934231:0crwdne2934231:0
crwdns2936625:0crwdne2936625:0:

crwdns2936751:024crwdne2936751:0 0

crwdns2936753:07crwdne2936753:0 8

crwdns2936753:030crwdne2936753:0 18

crwdns2942667:0crwdne2942667:0 239