crwdns2933423:0crwdne2933423:0

The second generation of the Mazda 3, also known as the Mazda3 and Mazda Axela, sedan and hatchback series by Mazda.

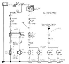
Why is my horn not working?

2012 Mazda 3i GT, horn went on fritz two months ago and will not sound. Don't have the service manuals to find where relays and switches are to diagnose.

crwdns2934089:0crwdne2934089:0 crwdns2934093:0crwdne2934093:0

crwdns2934109:0crwdne2934109:0

crwdns2889612:0crwdne2889612:0 0
crwdns2934285:0crwdne2934285:0

crwdns2933315:02crwdne2933315:0

crwdns2934057:0crwdne2934057:0

jcost40 first check the horn to make sure that it is working. remove the plug and briefly attach 12V positive on the contacts and negative on the ground. After that check the fuses and the relay

Block Image
Block Image

Let us know what you find.

crwdns2934105:0crwdne2934105:0

crwdns2889612:0crwdne2889612:0 2
crwdns2934285:0crwdne2934285:0

extremely common on these 3's. horn goes out. Under driver side front plastic splash guard- remove the 3 8mm black screws and two of the plastic clips(by wheel on the fender). pull back plastic and you could reach it underneath the car. its a 10mm bolt holding it down. Looks like a snail shell with metal bracket attached. To check operation add 12v to it and ground it.

crwdns2934105:0crwdne2934105:0

crwdns2889612:0crwdne2889612:0 0
crwdns2934285:0crwdne2934285:0

crwdns2934229:0crwdne2934229:0

jcost40 crwdns2934231:0crwdne2934231:0
crwdns2936625:0crwdne2936625:0:

crwdns2936751:024crwdne2936751:0 4

crwdns2936753:07crwdne2936753:0 11

crwdns2936753:030crwdne2936753:0 63

crwdns2942667:0crwdne2942667:0 6,710