crwdns2933423:0crwdne2933423:0

Guides for the LTE version of the iPad Mini 3. Announced on October 16, 2014, the iPad Mini 3 is the successor to the iPad Mini Retina (now known as the iPad mini 2).

Needing board component names/numbers for repairing water damaged iPad

I recently purchased a water damaged iPad mini 3, after looking at the iPad under the microscope I can see the lcd connector, and roughly 5 of the sourounding capacitors/filters are visibly damaged.

I’m looking to replace these damaged parts, but can’t find any schematics for the mini 3 to find out what bits I need to order in,

Does anyone have any idea what the sourounding components are please?

I do have a picture I can email over also to help pin point which ones.

Kind regards

Harry

Update (11/01/2017)

Block Image

That shows the damage done

crwdns2934081:0crwdne2934081:0 crwdns2934083:0crwdne2934083:0 crwdns2934093:0crwdne2934093:0

crwdns2934109:0crwdne2934109:0

crwdns2889612:0crwdne2889612:0 0
crwdns2947414:01crwdne2947414:0

Yeah, I can't find anything either on ZXW. Perhaps if someone has FiveCore they can confirm if it's on that platform. I would post the picture so we can all see it.

crwdns2934271:0crwdnd2934271:0crwdne2934271:0

crwdns2934285:0crwdne2934285:0

crwdns2933313:01crwdne2933313:0

crwdns2934051:0crwdne2934051:0

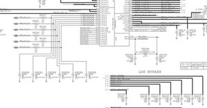
Based on what I can see within ZXW, the mini 2 and mini 3 appear to have identical LCD connectors and layout. I have attached a screenshot of the mini 3, which has no parts identified and the mini 2 which does. I would refer to the mini 2 schematic for all of the component specs.

Not ideal but this is probably as good as you'll find. Good luck!

Block Image
Block Image
Block Image

crwdns2934105:0crwdne2934105:0

crwdns2889612:0crwdne2889612:0 2

crwdns2947414:01crwdne2947414:0:

Funnily enough i have just been having a look at a mini 2 board I have here under the microscope compairing the two.

But that helps a lot more, so thank you very much for that! Now I just need to hope they have the same components, will get some ordered and try it though!

crwdns2934271:0crwdnd2934271:0crwdne2934271:0

crwdns2934285:0crwdne2934285:0

crwdns2934229:0crwdne2934229:0

harry bailey crwdns2934231:0crwdne2934231:0
crwdns2936625:0crwdne2936625:0:

crwdns2936751:024crwdne2936751:0 1

crwdns2936753:07crwdne2936753:0 3

crwdns2936753:030crwdne2936753:0 10

crwdns2942667:0crwdne2942667:0 198