crwdns2933423:0crwdne2933423:0

Repair information for the Gaggia Classic Espresso Machine. Can also be helpful for repairing a Philips or Saeco espresso machine.

Not enough water pressure to force through the pod

Unit comes on, when ready to force water through the pod, the unit sounds like it goes to half power. Made sure pod isn’t too tightly packed. Regularly descale the machine, hoses are clear, unit is primed, just very little water pressure. What is the issue?

crwdns2934081:0crwdne2934081:0 crwdns2934083:0crwdne2934083:0 crwdns2934093:0crwdne2934093:0

crwdns2934109:0crwdne2934109:0

crwdns2889612:0crwdne2889612:0 1
crwdns2947414:01crwdne2947414:0

Me too! Wish I had a guy near by to fix this.

crwdns2934271:0crwdnd2934271:0crwdne2934271:0

crwdns2934285:0crwdne2934285:0

crwdns2933315:02crwdne2933315:0

crwdns2934051:0crwdne2934051:0

Why don't we see if this solves your problem

https://m.youtube.com/watch?v=Ghti27dMZb...

crwdns2934105:0crwdne2934105:0

crwdns2889612:0crwdne2889612:0 3

crwdns2944067:02crwdne2944067:0:

@theimedic so smart :-)

crwdns2934271:0crwdnd2934271:0crwdne2934271:0

@oldturkey03 thanks. I had good teachers!

crwdns2934271:0crwdnd2934271:0crwdne2934271:0

crwdns2934285:0crwdne2934285:0
crwdns2934057:0crwdne2934057:0

@shammond86 you definitely want to check all parts for obstructions caused by debris or buildup. If all that looks good and is clean you need to consider bad hoses or a pumps issue.

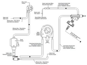
Block Image

shows a typical water circuit for the Gaggia

crwdns2934105:0crwdne2934105:0

crwdns2889612:0crwdne2889612:0 4
crwdns2934285:0crwdne2934285:0

crwdns2934229:0crwdne2934229:0

Susan crwdns2934231:0crwdne2934231:0
crwdns2936625:0crwdne2936625:0:

crwdns2936751:024crwdne2936751:0 1

crwdns2936753:07crwdne2936753:0 2

crwdns2936753:030crwdne2936753:0 22

crwdns2942667:0crwdne2942667:0 6,311