crwdns2933423:0crwdne2933423:0

First generation, based on the Ford C1 global platform.

help ...tcmwiring plug 06 mazda3 2.3 tcml32e tcm K

please help i need the diagram for 06 mazda 3 2.3L TCM control plug wiring plug B1_1 redo on harness side of TCM female connector lost track of wiring location on plug for tcm pins 06 mazda 3 tcm k # l32e189e1b other# k6266 plug B1-1 possistion of were each color goes in pinout

crwdns2934089:0crwdne2934089:0 crwdns2934093:0crwdne2934093:0

crwdns2934109:0crwdne2934109:0

crwdns2889612:0crwdne2889612:0 2
crwdns2944067:03crwdne2944067:0

@techmanphil TCM=Transmission (Transaxle) Control Module?

crwdns2934271:0crwdnd2934271:0crwdne2934271:0

this old turkey i will never cook you for thanksgiving you will sit and eat with me some day the old turkey saved me i been looking looking and not sure, you by far is what makes the internet great..............i will always remember the old turkey that made me zoomzoomzoom........ again thank you again old turkey rest now

crwdns2934271:0crwdnd2934271:0crwdne2934271:0

i quess i did word the original post wrong and the reason why i didnt find it is because of the ac and the r-w wire huh got it now people say all the time phil its the most simplest things you cant do thanks for pointing that out ......ah blam it on the wife lol

crwdns2934271:0crwdnd2934271:0crwdne2934271:0

crwdns2934285:0crwdne2934285:0

crwdns2933313:01crwdne2933313:0

crwdns2934057:0crwdne2934057:0

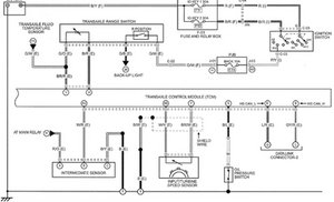
@techmanphil lets find out if this is what you are looking for. Here is the connector and where the wires originate from

Block Image
Block Image

Update (10/03/2017)

@techmanphil sorry do not have anything in color. What I do have is the diagram with the marked colors. i.e. connector AC color W/R (White/Red). Hope this will work better for you.

Block Image
Block Image
Block Image

crwdns2934105:0crwdne2934105:0

crwdns2889612:0crwdne2889612:0 5

crwdns2944067:06crwdne2944067:0:

still really what color wire goes to which pin pinout omg i wish i would of took picture without all the reasearch isnt there a easer diagram btw your the only one who has took the time for me im indepted to you

crwdns2934271:0crwdnd2934271:0crwdne2934271:0

@techmanphil okay got it. You need the colors to attach the wires back to the connector. Let me see what I can find in the wiring manuals. Bear with us :-)

crwdns2934271:0crwdnd2934271:0crwdne2934271:0

ok thank u so much techmanphil63@gmail.com u can send at email mr oldturkey03

crwdns2934271:0crwdnd2934271:0crwdne2934271:0

@techmanphil check the attached images ;) Those are the ones that have the the color codes for the individual wires that attach to the TCM

crwdns2934271:0crwdnd2934271:0crwdne2934271:0

i wrote something for ya mr old turkey but i dont know were it went lol i think it went to fixit, your profile is amazing, i also have the gift, but some bloopers haha........ you are always welcome at my thanksgiving table if you ever need a part you are welcome to email me sometimes i have things and ill wait and sure enough it wasnt for me again thanks mr oldturkey salu

crwdns2934271:0crwdnd2934271:0crwdne2934271:0

crwdns2934273:01crwdne2934273:0

crwdns2934285:0crwdne2934285:0

crwdns2934229:0crwdne2934229:0

Phillip Vigil crwdns2934231:0crwdne2934231:0
crwdns2936625:0crwdne2936625:0:

crwdns2936751:024crwdne2936751:0 2

crwdns2936753:07crwdne2936753:0 18

crwdns2936753:030crwdne2936753:0 88

crwdns2942667:0crwdne2942667:0 7,595