crwdns2933423:0crwdne2933423:0
crwdns2947577:0crwdnd2947577:0crwdne2947577:0

Repair and disassembly guides for electronic keyboards.

Casio Sk-60 replacing missing on/off button

Block Image

Hello, i am new here!

I need help with this vintage Casio Sk-60 keyboard, it needs a replacement for that missing (slider) switch. I would love to repair it!

I know how to solder simple things. Adding a lineout or connecting two cables ;) but i am totally lost on this one.

Block Image

Here you can see on off i prepared for the keyboard. When it will work i will drill a bigger hole for it.

Block Image

Thats the inside of the keyboard.

Block Image

And here you can see the part where the switch was. The upper position was (On)

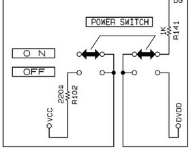
I also found this sceme here, but i dont get it...

Block Image

I was hoping that maybe someone here sees the solution right away and can help me out. That would be great!

crwdns2934081:0crwdne2934081:0 crwdns2934083:0crwdne2934083:0 crwdns2934093:0crwdne2934093:0

crwdns2934109:0crwdne2934109:0

crwdns2889612:0crwdne2889612:0 2
crwdns2934285:0crwdne2934285:0

crwdns2933315:02crwdne2933315:0

crwdns2934051:0crwdne2934051:0

@prokrastinator what you posted is not a schematic but a board layout view. It will not tell you how to connect a switch. You need the wiring diagram for that. I got this from the manual

Block Image

Now you need to figure out on the board view which point is what. Going back to your image and checking the layout and schematic it appears that connecting a switch the way as pointed out in my pictures should work.

Block Image
Block Image
Block Image

always double check with a meter to make sure that you do not close any power to ground circuit.

crwdns2934105:0crwdne2934105:0

crwdns2889612:0crwdne2889612:0 3

crwdns2947414:01crwdne2947414:0:

Thank you <3

That helps a lot!

crwdns2934271:0crwdnd2934271:0crwdne2934271:0

crwdns2934285:0crwdne2934285:0

Hi,

I got same problem but i don’t understand, is it solder a spst switch between vcc and vdd with 777 on center ?

Help much appreciate

thanks

crwdns2934105:0crwdne2934105:0

crwdns2889612:0crwdne2889612:0 0

crwdns2947414:01crwdne2947414:0:

- is it solder a spst switch between vcc and vdd with 777 on center ?

- no. it is solder a double switch, one part between vdd and 777 with what ever it is on center (those longer graphite bars are center). another part is between vcc and nothing with the other longer bar on center.

crwdns2934271:0crwdnd2934271:0crwdne2934271:0

crwdns2934285:0crwdne2934285:0

crwdns2934229:0crwdne2934229:0

Prokrastinator crwdns2934231:0crwdne2934231:0
crwdns2936625:0crwdne2936625:0:

crwdns2936751:024crwdne2936751:0 4

crwdns2936753:07crwdne2936753:0 11

crwdns2936753:030crwdne2936753:0 36

crwdns2942667:0crwdne2942667:0 1,453