crwdns2933423:0crwdne2933423:0

The Chevrolet Caprice is a full-sized automobile produced by Chevrolet in North America for the 1965 to 1996 model years. It was the most popular American car in the sixties and early seventies,

89 Caprice...No tail lights, turn signals or hazards

Block Image
Block Image

20amp fuse for tail lamps blows. Replaced the headlight switch, checked for broken wires, replaced hazard & turn signal flashers. Fuse still blows same lights are still out. I have head lights & brake lights tho. I've searched everywhere on the Web but I can't find anything but wiring issues which I've checked front to back of car. If anyone has any advice please help?!

There are a lot of spliced/added wires so I don't know how much of a help a wiring diagram would do...

Thanks in advance!

crwdns2934089:0crwdne2934089:0 crwdns2934093:0crwdne2934093:0

crwdns2934109:0crwdne2934109:0

crwdns2889612:0crwdne2889612:0 0

crwdns2944067:02crwdne2944067:0:

Has any work been done before that? When did this occur

crwdns2934271:0crwdnd2934271:0crwdne2934271:0

Yes, they had a stereo system installed but he claims he had no tail lights or signals before that.

crwdns2934271:0crwdnd2934271:0crwdne2934271:0

crwdns2934285:0crwdne2934285:0

crwdns2933315:02crwdne2933315:0

Check Chime Box Module. l only have seen it in Green, but l guess they come in Blue like yours. Try checking it.

crwdns2934105:0crwdne2934105:0

crwdns2889612:0crwdne2889612:0 0
crwdns2934285:0crwdne2934285:0

Hey Jess,

A fuse that blows is a dead short something between that pedal and the tail lights is shorted.

Let's start with the following.

  1. If you put a new fuse in with the car running and don't touch the brake pedal and only activate the hazard switch does the fuse blow? Yes? check the hazard switch and connections. No? move on.
  2. If you put in a new fuse with the car running and flip the turn signal does the fuse blow? No - Flip to the other side - Still no move on. Yes - check the connections and wiring surrounding the column for the turn signals.
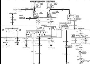
    1. If you put a new fuse in and everything works fine and you depress the brake pedal does is this the only time the fuse pops. No? Refer to diagram and prepare to start taking the additional crap out of that fuse box added by the last guy and running the test again. There is something touching ground somewhere and while there can be a million places to look narrowing it down is as simple as a flow chart.

I used to work for Mickey Shore in my younger years installing high end stereos and when someone brought me a vehicle with harness issues i for the most part assumed it was some hack stereo install. I took a look at your pictures and I see evidence already that someone with no reasonable business installing electrical wiring was in there installing electrical wiring. ( Direct plug ins to the fusebox highly suspect. ) Does the night time dash lights work?

Just an FYI the power to the brake light goes through both the emergency flasher and the turn signals as well as the switches that is why i built the steps above the way i did to narrow down the issue to between the pedal and the lights. If you get all the way to just the brake pedal or the emergency flasher blowing that fuse then you will have to trace those wires all the way through the body to the actual tail lights. I am going to attach the diagram to help you along also.

Cheers!!

Monte

Block Image

crwdns2934105:0crwdne2934105:0

crwdns2889612:0crwdne2889612:0 0
crwdns2934285:0crwdne2934285:0

crwdns2934229:0crwdne2934229:0

Jess crwdns2934231:0crwdne2934231:0
crwdns2936625:0crwdne2936625:0:

crwdns2936751:024crwdne2936751:0 0

crwdns2936753:07crwdne2936753:0 4

crwdns2936753:030crwdne2936753:0 26

crwdns2942667:0crwdne2942667:0 488