crwdns2933423:0crwdne2933423:0
crwdns2947577:0crwdnd2947577:0crwdne2947577:0

Repair and disassembly guides for Blu-Ray Players made by Sony.

Push Power Protect repair

I have a Sony bdv-e2100 home cinema set and it is giving a Push Power Protect mention on the screen.

I have tried to disconnect all the speakers and the powersupply. Than I waited a few hours and connected only the power and the error still remains.

Does anybody knows how to fix this?

Block Image

AMP Board:

Block Image
Block Image
crwdns2934081:0crwdne2934081:0 crwdns2934083:0crwdne2934083:0 crwdns2934093:0crwdne2934093:0

crwdns2934109:0crwdne2934109:0

crwdns2889612:0crwdne2889612:0 10
crwdns2944067:021crwdne2944067:0

Hi, Have you checked that the vent holes are clear and not clogged up? Can you hear a fan running at all?

crwdns2934271:0crwdnd2934271:0crwdne2934271:0

The fan works and the device is clean from the inside.

crwdns2934271:0crwdnd2934271:0crwdne2934271:0

Hi, Take some close up pictures of the systemboard and post back here. There may be some 'stressed' components which might be able to be spotted by someone here. Hopefully someone like @oldturkey03 may even have a service manual or circuit diagram available for it.

Adding images to an existing question

crwdns2934271:0crwdnd2934271:0crwdne2934271:0

Replaced the AMP board, and the home cinema set is now working.

crwdns2934271:0crwdnd2934271:0crwdne2934271:0

Also did that. But mine did not work instantly. After consulting a sony repair facility they suggested to check the pins of the flatcable which crosses the fan, because they might be folded. This was the case, so I folded them back and now its working :)

crwdns2934271:0crwdnd2934271:0crwdne2934271:0

crwdns2934275:016crwdne2934275:0

crwdns2934285:0crwdne2934285:0

crwdns2933315:09crwdne2933315:0

crwdns2934051:0crwdne2934051:0

"protect" mode is there to prevent the speakers from damage. Basically the output lines are monitored to insure that there is no DC voltage present. DC voltage to a speaker results in heat which will damage the voice coil and thus the speaker. This is why there is usually a slight delay from the time the unit is turned on to the time you hear sound. In this case, I would suspect that the output transistors/amp pac have failed. Whether or not both channels have a problem, the unit will go into protect mode.

If you follow the flow chart provided previously, I expect you to end up at the "replace AMP board" section.

It is possible to repair the amp module, but that will take some investigation and perhaps specialized equipment.

Hope this helps,

Dan

crwdns2934105:0crwdne2934105:0

crwdns2889612:0crwdne2889612:0 1

crwdns2944067:02crwdne2944067:0:

The AMP board can be purchased from Encompass using the link below:

https://encompass.com/model/SONBDVE2100

Dan

crwdns2934271:0crwdnd2934271:0crwdne2934271:0

Berapakah nilai capasitor 4 biji di sebelah ic tersebut..?

crwdns2934271:0crwdnd2934271:0crwdne2934271:0

crwdns2934285:0crwdne2934285:0
crwdns2934057:0crwdne2934057:0

@jorn try to follow the power check flowchart:

Block Image
Block Image

You do want to do as @jayeff suggested and post plenty of good images so we can try to assist you further.

Update (12/14/2016)

@jorn lets see if this will help you out. Sony BDV-E2100 schematic

crwdns2934105:0crwdne2934105:0

crwdns2889612:0crwdne2889612:0 5

crwdns2944067:010crwdne2944067:0:

Hi @oldturkey03

Thanks for that.

crwdns2934271:0crwdnd2934271:0crwdne2934271:0

@jayeff anytime Sir, anytime.

crwdns2934271:0crwdnd2934271:0crwdne2934271:0

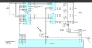
@oldturkey03 @jayeff

Thanks for your quick responses and help. I have disconnected CN101, CN4 and CN3505 (blue circles). And I have measured the first and fourth pin from CN101 (red circles). It is giving me 54,5V when the device is on. I guess that this is too high? And that the supply board is broken?

crwdns2934271:0crwdnd2934271:0crwdne2934271:0

Hi, Just a quick response,

Looking at your picture (very good by the way) it seems as though there should be +27V between pins 1&4 and +54V between pins 2&4 (or 2&3, - 3&4 being the same point) so if this is correct then yes there is a problem with the power board.

Bit strange that in the flowchart it says >30V between pins 1&4 though when it shows +27V on the board. Perhaps it should have been <30V.

EDIT See new comment below -- the value should be +32.3V so the flowchart is correct.

Did you measure between 2&4 just to verify that there is also +54V there?

Hopefully @oldturkey03 also has a schematic which will help make it easier to track down the problem further as a quick search online for a replacement board using the part number on the board (PSC20487CM 3L3392W/W-1) only had 1 result and it is out of stock.

http://www.avsystemparts.com/sony-bdv-e3...

Scroll down to see part #4.

Initially I would look at R466, perhaps it is my poor eyesight but it doesn't look quite right in the picture unless it is just the lighting and angle when compared to R465? nearby. It is the one to the left of the connector CN101

crwdns2934271:0crwdnd2934271:0crwdne2934271:0

Hi @oldturkey03

Thanks for the schematic. It's a shame that there is no schematic of the Switching Power Supply . The best it shows is a Block showing the power feeds on p.41 and also it was right that the output should be >30V because on p.55 it shows test points on the connection from the SWR board (Power board) to the AMP board having a value of +32.3V (these are the points I think that @jorn was testing)

crwdns2934271:0crwdnd2934271:0crwdne2934271:0

crwdns2934275:05crwdne2934275:0

crwdns2934285:0crwdne2934285:0

Hello,

The AMP Board of Sony BDV E-4100 got burnt. Unable to find a replacement board.

Is there a way I can use the speakers (5.1) with other systems?

Block Image

crwdns2934105:0crwdne2934105:0

crwdns2889612:0crwdne2889612:0 4

crwdns2944067:03crwdne2944067:0:

They should work with any 500w home cinema. Can you see physical damage on the board? If you are throwing away the home cinema I would be interested in it for parts.

crwdns2934271:0crwdnd2934271:0crwdne2934271:0

Thank you Mark. Sorry, I already gave the unit to a friend.

crwdns2934271:0crwdnd2934271:0crwdne2934271:0

OK, thank you for letting me know.

crwdns2934271:0crwdnd2934271:0crwdne2934271:0

crwdns2934285:0crwdne2934285:0

Hi @jllitter ,

I believe that you’re looking at it the wrong way.

The +32.5V is initially supplied by the switching regulator and IF there is no protect signal in evidence then the enable signal will be sent to the switching regulator.

Here are some images taken from the service manual. It is in a mixture of Portuguese and English but you should still be able to read the circuits.

To download the manual, click on the link above and then click on the “I am not a robot Captcha box” below the Document preview box, pass the test and then click on Go to Download. Wait until the sentence This file is downloadable free of charge (5/day): ...processing... changes to This file is downloadable free of charge (5/day): Download (sony bdv-e780w w980w e985w) and then click on Download. Be patient as it takes a little while to find the file.

Block Image
Block Image
Block Image

(click on images to enlarge for better viewing)

The first image shows the +32.5 V coming from the switching regulator.

The second image shows the +32.5V being supplied via a zener diode, to the “protect detect circuit”, the output of which goes into the system controller and to the switching regulator.

The third image shows the +32.5V volts entering the AMP board from the regulator.

There are no other +32.5V supplies in the device.

Did you try a “cold reset” to check if this has any effect? See p.21 in the manual.

crwdns2934105:0crwdne2934105:0

crwdns2889612:0crwdne2889612:0 2

crwdns2944067:05crwdne2944067:0:

Hi, jayeff. Thank you for your answer.

I tried a "cold reset". I can't do it

I have the system without connections, I mean, no speakers, no TV, no HDMI cables connected. Only the Bluray connected to mains

After press ON, it displays "welcome" during several seconds. No display at commands (stop, play, function, etc)

After several seconds, the word "welcome" displays off.

Then, I press ON again. It displays "TV", and commands starts to flash slowly, lighting on and lighting off. I press "stop" and "vol -" to try cold reset, without success.

crwdns2934271:0crwdnd2934271:0crwdne2934271:0

Hi @jllitter ,

Did you try to press and hold for 5 seconds the "stop" and "Vol-", both together, immediately after turning on the power?

If still no good go to p.54 (shows as 58/117 when in pdf viewer) to view the protect circuits. You may have to measure the voltages at the JL test points to check which one is causing the problem.

crwdns2934271:0crwdnd2934271:0crwdne2934271:0

Hi, @jayeff

There is different voltages as indicated at schematic. JL 3110 has 0.4 V

JL 3212 has 0.2 V, for example. There is not present any voltage at IC3100 nor IC3200, probably because

I can't turn on the system with ON. I don't know why now. I could do so early.

there is present 16V and 6V from power supply

crwdns2934271:0crwdnd2934271:0crwdne2934271:0

Hi @jllitter ,

I would be checking the switching regulator SWR1 for any obvious problems such as domed or leaking capacitors or other stressed components.

The circuit shows the SWR1 supply output as having 3 x 14V feeds, 2 x 6V feeds and 1 x 32.5V feed. So having 16V coming from the supply is too high.

Unfortunately there is no diagram in the manual showing the circuit of the switching supply so that you can work out how it operates in regard to the en_input connection.

Does it turn on/off the 14V supplies for example. To me the +32.5V has to be there, not only because it supplies IC3100 and IC3200 but it is also used in conjunction with the protection circuits which may have to be enabled early on, maybe even as it is being turned on.

Looking at an image of the board there are enough capacitors on it, so it may be worth looking at, at least.

crwdns2934271:0crwdnd2934271:0crwdne2934271:0

Hi, @jayeff

* SWR1 is working properly (mechanically O.K, sends PWR SW down)

* 32.5V is not present in any part of the circuit, in any board. If I force en_input pin to high, there is as much as 26 V present, instead 32.5V. But such 26V is going down slowly

* My mistake. There is not 16 V at SWR1 supply output.

* Just I told you that there is 16V and 6V in the power supply board, and no 32.5 V

* will review the SWR1 circuit and will let you know

crwdns2934271:0crwdnd2934271:0crwdne2934271:0

crwdns2934285:0crwdne2934285:0

I know this is old but does any one know the voltage rating of the 4 larger SMD capacitors that are in line with the amplifier IC? The Diagram says they are 1uf so I purchased some 50v 1uf ones and they are much smaller.

crwdns2934105:0crwdne2934105:0

crwdns2889612:0crwdne2889612:0 2

crwdns2944067:07crwdne2944067:0:

Can you post the circuit designation of the ones in question? These should be marked on the board as Cxxx. Post those numbers and I will look these up in the manual.

Dan

crwdns2934271:0crwdnd2934271:0crwdne2934271:0

Thank you for your reply, the two I am looking to replace are marked as C3318 and C3319 they are the same and the diagram says they are 1 which I guess is 1uF as mentioned I purchased a 1uF 50v capacitor but the size difference is significant

crwdns2934271:0crwdnd2934271:0crwdne2934271:0

I decided to use the small ones I have as I am sure they are the correct rating. The system now boots up and the display, dvd player etc works but no sound from the speakers.

I did some more checking and found that the small 24 pin flat cable from the main board to the AMP board has got damaged so I guess this explains the no sound.

I have searched the internet and no one in the UK appears to supply that size/type do you have any suggestions as to where I can get one?

Thank you

crwdns2934271:0crwdnd2934271:0crwdne2934271:0

@abrsvc

After running perfectly for about 20 minutes it popped the capacitors with a nice bang and flash.

I decided to remove the other two cap in the same row as these as they are the same type and interestingly they measured 2.3 and 2.4 uf despite the circuit diagram saying that they are all 1 uf. Can anyone confirm this for me.

crwdns2934271:0crwdnd2934271:0crwdne2934271:0

The 2 sets of 4 larger smd ceramic caps have different values. Not ALL are the same. I recently had one blow up on my board which led me to the service manual that tells me that in one set of 4, the two inner caps are 2.2 uF 10% 100v and the two outers are 0.1 uF 10% 50v. In the link below refer to page 51-55 of the service manual and then also page 82 gives more detailed part numbers and values.

https://manualzz.com/doc/22602786/hbd-e2...

Hope this helps someone!

crwdns2934271:0crwdnd2934271:0crwdne2934271:0

crwdns2934275:02crwdne2934275:0

crwdns2934285:0crwdne2934285:0

In my case (probably also in yours since SMD ceramic capacitors often go short when they die) the capacitor was the cause and not the syndrome. Voltages were OK on mine and the system worked with the amp board disconnected.

It did also work with the burned capacitor removed. Looks like the caps only have some high frequency filtering purposes.
Unfortunately I was unable to get the correct size and shape so I had to touch the neighboring cap with the replacement ceramic capacitor. No problem in this case because C3108 are C3109 are connected in series anyway.

System is fully usable again! Possibly as well as just with the faulty cap removed and cleaned up, but the caps are cheap and available so I highly recommend to replace. Be careful to use types that are capable of standing 100 V. Capacity needed is 2.2 µF.

Block Image
Block Image
Block Image

crwdns2934105:0crwdne2934105:0

crwdns2889612:0crwdne2889612:0 2
crwdns2934285:0crwdne2934285:0

Reading through y'alls info and I was able to find my problem after opening up the case. I tried the cold reset to see what it would do and it lit up the Amp board like a Christmas tree. I haven't seen a board go up like that since 99 when i took A+ certification in high school as a collage course lol. Unfortunately I found 1 replacement board for $117.97 so I guess I'm in the market for a new unit.

crwdns2934105:0crwdne2934105:0

crwdns2889612:0crwdne2889612:0 1
crwdns2934285:0crwdne2934285:0

“stop" and "vol -" to try cold reset solved my issue.

crwdns2934105:0crwdne2934105:0

crwdns2889612:0crwdne2889612:0 0

crwdns2944067:02crwdne2944067:0:

bdv e 3200 push power error

crwdns2934271:0crwdnd2934271:0crwdne2934271:0

Bdv e3200 push power protekt

crwdns2934271:0crwdnd2934271:0crwdne2934271:0

crwdns2934285:0crwdne2934285:0

I have a Sony BDV e4100 showing push power protection , Service center recommended for the replacement of power amp board . any other solutions you can suggest

crwdns2934105:0crwdne2934105:0

crwdns2889612:0crwdne2889612:0 0

crwdns2947414:01crwdne2947414:0:

Better to replace in the service center.

crwdns2934271:0crwdnd2934271:0crwdne2934271:0

crwdns2934285:0crwdne2934285:0

crwdns2934229:0crwdne2934229:0

Jorn crwdns2934231:0crwdne2934231:0
crwdns2936625:0crwdne2936625:0:

crwdns2936751:024crwdne2936751:0 14

crwdns2936753:07crwdne2936753:0 90

crwdns2936753:030crwdne2936753:0 362

crwdns2942667:0crwdne2942667:0 48,348