crwdns2933423:0crwdne2933423:0

An easy to use home Espresso machine created by Saeco and rebranded for Starbucks. This machine is excellent for every day espresso drinkers and has an excellent build and product life.

Brew Head Water - Not Hot

Just recently, my Barista does not produce hot water out of the brew head. When I turn the machine on (cold), the ready light comes on immediately and stays on.

I can still pour a shot by using the steam button first. The pump is clean and works perfectly through both the brew head and steam wand. The steamer works fine as well. I believe this to be an electrical problem, but what part?

crwdns2934089:0crwdne2934089:0 crwdns2934093:0crwdne2934093:0

crwdns2934109:0crwdne2934109:0

crwdns2889612:0crwdne2889612:0 0
crwdns2944067:04crwdne2944067:0

Yes, the boiler is heating up. I can still make a very good drink. I have to use the steam button, let it get nice & hot, then turn the steam button off, then I can get a good pour. It also steams milk very well. I took the machine apart earlier this year, and cleaned everything including the boiler - which was very clean after a chemical descale.

This is an electronic problem. Whatever device that controls the brew head temperature is what is not working.

crwdns2934271:0crwdnd2934271:0crwdne2934271:0

Sounds like you rmainswitch work and your steam switch. How about the coffee switch? Have you checked the wiring and components with a multimeter to see what's going on?

crwdns2934271:0crwdnd2934271:0crwdne2934271:0

Unfortunately I don't know how to check it.

crwdns2934271:0crwdnd2934271:0crwdne2934271:0

Just thought I would post here now that this is resolved. It was in fact the 95C brew head thermostat. I purchased both thermostats for about $8 each from the link above - thanks Henry H!

A word of caution - The thermostats were located opposite of where they're shown on the parts drawing.

https://www.espressocare.com/schematics/...

After careful examination of the removed parts I was able to figure this out. Now the machine works like new!

Thank you Ifixit Barista forum!

crwdns2934271:0crwdnd2934271:0crwdne2934271:0

crwdns2934285:0crwdne2934285:0

crwdns2933315:03crwdne2933315:0

crwdns2934057:0crwdne2934057:0

Use this guide to test the heating element:

Testing the Starbucks Barista Heating Element

crwdns2934105:0crwdne2934105:0

crwdns2889612:0crwdne2889612:0 2
crwdns2934285:0crwdne2934285:0

@stevegarris I would check to see if the machine is warming up. If it does not it could be the heating element or the thermal fuse. Check the individual pieces and wiring.

Block Image

. The image from here should be very similar to your model and shows the parts.

Block Image

crwdns2934105:0crwdne2934105:0

crwdns2889612:0crwdne2889612:0 1
crwdns2934285:0crwdne2934285:0

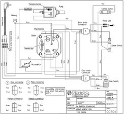
Hi Steve. There are two thermostats clamped to the top of the boiler. In normal (coffee) mode the coffee thermostat opens once the machine reaches the proper temperature, this illuminates the ready light and cuts power to the heating element. As the machine cools the thermostat "closes" again, turning off the light and restoring power to the heating element. If the steam button is pressed this bypasses the coffee thermostat and instead uses the steam thermostat to control heating and the ready light. It's clear from the described symptoms that your coffee thermostat has failed in the "open" position, and you can verify this by checking it's continuity with a voltmeter. This guide will walk you through that; the coffee thermostat should be the one closer to the front of the machine, and if it's "open" with the machine cool then it has failed and needs to be replaced:

Testing the Starbucks Barista Heating Element

The part number for the coffee thermostat is 189422000 and it can be purchased here:

https://philips.encompass.com/item/97042...

Best of luck with the repair!

crwdns2934105:0crwdne2934105:0

crwdns2889612:0crwdne2889612:0 1

crwdns2944067:02crwdne2944067:0:

Thanks! Exactly the conclusion I came to yesterday while looking at this schematic: https://www.espressocare.com/schematics/...

crwdns2934271:0crwdnd2934271:0crwdne2934271:0

Well, I received both thermostats and installed the 95C brew head unit. It still doesn't work. I grabbed my test meter, and both of the new thermostats show an open circuit. The 127C thermostat in my machine does not show open, but the other 3 do when I put my ohm meter on them. Did I get (2) defective thermostats? If I put my ohm meter on the 2 thermostat terminals (not in machine) it should not show an open circuit - correct?

crwdns2934271:0crwdnd2934271:0crwdne2934271:0

crwdns2934285:0crwdne2934285:0

crwdns2934229:0crwdne2934229:0

STEVE GARRIS crwdns2934231:0crwdne2934231:0
crwdns2936625:0crwdne2936625:0:

crwdns2936751:024crwdne2936751:0 0

crwdns2936753:07crwdne2936753:0 1

crwdns2936753:030crwdne2936753:0 3

crwdns2942667:0crwdne2942667:0 1,380