crwdns2933423:0crwdne2933423:0

Yamaha YPG-225 76-Key piano keyboard, released in 2006

plays for short time and goes off

My yamaha keyboard plays for shot time and stops to produce sound even when power is on. To make it sound a gain I had to hit one of the speakers wire on one of the transistor. That left speaker as well doesnot work. This has been disturbing for the last 2 weeks. What could be the problem and how do I fix it?

Update (06/15/2016)

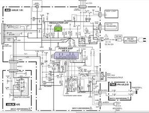
Here is the picture of the transistor that I rubb on. Another thing is that, the switch as well does not work, when I plug in the dapter the power goes direct.

Block Image
crwdns2934089:0crwdne2934089:0 crwdns2934093:0crwdne2934093:0

crwdns2934109:0crwdne2934109:0

crwdns2889612:0crwdne2889612:0 0
crwdns2947414:01crwdne2947414:0

@oluka "I had to hit one of the speakers wire on one of the transistor." explain this a bit better. what transistor?

crwdns2934271:0crwdnd2934271:0crwdne2934271:0

crwdns2934285:0crwdne2934285:0

crwdns2933313:01crwdne2933313:0

crwdns2934057:0crwdne2934057:0

@oluka not sure which "transistor" you had to hit. Add an image of where and what you hit with your question. For that use this guide. I'd suggest that you get your multimeter out and check the output starting at the power amp IC 551 and measure from there to the L speaker to see if you have the correct output.

Block Image

crwdns2934105:0crwdne2934105:0

crwdns2889612:0crwdne2889612:0 2
crwdns2934285:0crwdne2934285:0

crwdns2934229:0crwdne2934229:0

oluka crwdns2934231:0crwdne2934231:0
crwdns2936625:0crwdne2936625:0:

crwdns2936751:024crwdne2936751:0 0

crwdns2936753:07crwdne2936753:0 2

crwdns2936753:030crwdne2936753:0 19

crwdns2942667:0crwdne2942667:0 241