crwdns2933423:0crwdne2933423:0

The twelfth and final generation of the Cadillac Eldorado was introduced in 1992 as a two-door coupé.

removal of heater core 02 cad.eldorado

where is the heater core and how do you remove and install it

crwdns2934081:0crwdne2934081:0 crwdns2934083:0crwdne2934083:0 crwdns2934093:0crwdne2934093:0

crwdns2934109:0crwdne2934109:0

crwdns2889612:0crwdne2889612:0 0
crwdns2934285:0crwdne2934285:0

crwdns2933315:02crwdne2933315:0

crwdns2934051:0crwdne2934051:0

The heater core is right behind your glove box . you will need to remove the glove box and then remove the vent cover to access the heater core as well as removing the vent actuators you will also need to remove the two heater core hoses on the firewall in the engine compartment on the passanger side of the car. hope this helps

crwdns2934105:0crwdne2934105:0

crwdns2889612:0crwdne2889612:0 3
crwdns2934285:0crwdne2934285:0
crwdns2934057:0crwdne2934057:0

debby, besides all the great points Jimfixer already made, here is what the service manual suggest:

Heater Core Replacement

Removal Procedure

Caution: Unless directed otherwise, the ignition and start switch must be in the OFF or LOCK position, and all electrical loads must be OFF before servicing any electrical component. Disconnect the negative battery cable to prevent an electrical spark should a tool or equipment come in contact with an exposed electrical terminal. Failure to follow these precautions may result in personal injury and/or damage to the vehicle or its components.

1. Disconnect the negative battery cable.

2. Partially drain the coolant. Refer to Cooling System Draining and Filling in Engine Cooling.

3. Remove the instrument panel compartment. Refer to Instrument Panel Storage Compartment Replacement in Instrument Panel, Gauges and Console.

4. Remove the right sound insulator. Refer to Instrument Panel Insulator Panel Replacement -Right Side in Instrument Panel, Gauges and Console.

5. Remove the heater and A/C programmer. Refer to Programmer Replacement .

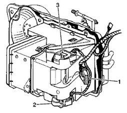
6. Disconnect the driver air mix actuator (2).

7. Disconnect the passenger air mix actuator (3).

Block Image

8. Remove the heater core cover.

Block Image

9. Remove the inlet and outlet heater hoses from the heater core.

Block Image

10. Remove the heater retaining screws.

11. Remove the heater core.

crwdns2934105:0crwdne2934105:0

crwdns2889612:0crwdne2889612:0 5

crwdns2947414:01crwdne2947414:0:

@mycaddy email me (address on my user page click on my avatar) if you need more from the manual.

crwdns2934271:0crwdnd2934271:0crwdne2934271:0

crwdns2934285:0crwdne2934285:0

crwdns2934229:0crwdne2934229:0

debby crwdns2934231:0crwdne2934231:0
crwdns2936625:0crwdne2936625:0:

crwdns2936751:024crwdne2936751:0 1

crwdns2936753:07crwdne2936753:0 5

crwdns2936753:030crwdne2936753:0 28

crwdns2942667:0crwdne2942667:0 6,620