crwdns2933423:0crwdne2933423:0

The Dodge Dakota (called the Ram Dakota for its final two years of production) is a mid-size pickup truck from Chrysler’s Ram division (formerly called the Dodge Truck division). The second-generation Dakota began development in 1991, though they were not introduced until 1996 for the 1997 model year.

starter removal for 1997 dodge dakota 318 v8

How do I remove starter on 1997 dodge Dakota magnum V8

crwdns2934089:0crwdne2934089:0 crwdns2934093:0crwdne2934093:0

crwdns2934109:0crwdne2934109:0

crwdns2889612:0crwdne2889612:0 2
crwdns2934285:0crwdne2934285:0

crwdns2933313:01crwdne2933313:0

crwdns2934057:0crwdne2934057:0

Sharon Dart, this should work for your starter:"

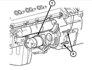
(1) Disconnect and isolate negative battery cable.

(2) Raise and support vehicle.

(3) Note: If equipped with 4WD and certain transmissions, a support bracket is used between front axle and side of transmission. Remove 2 support bracket bolts at transmission. Pry support bracket slightly to gain access to lower starter mounting bolt.

(4) Remove 2 mounting bolts.

Block Image

(5) Move starter motor towards front of vehicle far enough for nose of starter pinion housing to clear

housing. Always support starter motor during this process, do not let starter motor hang from wire harness.

(6) Tilt nose downwards and lower starter motor far enough to access and remove nut that secures

battery positive cable wire harness connector eyelet to solenoid battery terminal stud. Do not let starter motor hang from wire harness.

(7) Remove battery positive cable wire harness connector eyelet from solenoid battery terminal stud.

(8) Disconnect battery positive cable wire harness connector from solenoid terminal connector receptacle.

(9) Remove starter motor.

crwdns2934105:0crwdne2934105:0

crwdns2889612:0crwdne2889612:0 3

crwdns2947414:01crwdne2947414:0:

What about swimming it

crwdns2934271:0crwdnd2934271:0crwdne2934271:0

crwdns2934285:0crwdne2934285:0

crwdns2934229:0crwdne2934229:0

Sharon Dart crwdns2934231:0crwdne2934231:0
crwdns2936625:0crwdne2936625:0:

crwdns2936751:024crwdne2936751:0 1

crwdns2936753:07crwdne2936753:0 4

crwdns2936753:030crwdne2936753:0 33

crwdns2942667:0crwdne2942667:0 9,521