crwdns2933423:0crwdne2933423:0

Need info about a component on logic board.

Hi,

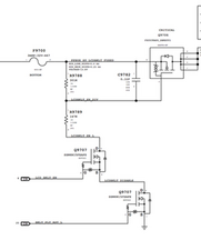
I have a problem with screen backlight on my MBA. The screen turns on but backlight don't. Probably I found the problem on the logic board, the yellow fuse shown with the red arrow in the image is broken.

Block Image

Is there anyone can help me to find the fuse specifications?

Thank you very much.

Alessio

Update (09/03/2015)

Hi Israel,

thanks a lot for your precious help providing the images.

I made the resistance measurement. Since I don't know the position of the FET pins I cannot specify when in direct or reverse polarity. Anyway here it is the values:

Q9706: 299 kohm and 288 kohm (reverse). Tested on the green circles in the image posted

Q9707: 0.7 Mohm and 5 Mohm (reverse). Tested on the red circle in the image posted.

R9788: 298 kohm

R9789: 146 kohm

C9782: 95.5 nF

I hope this numbers make sense. Waiting for your comments.

Alessio

Block Image
crwdns2934081:0crwdne2934081:0 crwdns2934083:0crwdne2934083:0 crwdns2934093:0crwdne2934093:0

crwdns2934109:0crwdne2934109:0

crwdns2889612:0crwdne2889612:0 2
crwdns2944067:02crwdne2944067:0

it's physically broken or it tested open circuit?

crwdns2934271:0crwdnd2934271:0crwdne2934271:0

send me your MB number

crwdns2934271:0crwdnd2934271:0crwdne2934271:0

crwdns2934285:0crwdne2934285:0

crwdns2933315:02crwdne2933315:0

crwdns2934051:0crwdne2934051:0

If I guessed correctly your motherboard model is 820-3023

If that is correct and my schematics are right it is a fuse, however it is a 3amp 32V and it is 603-HF

Good news is that, that is the main fuse for the backlight.

Not so good news: once you replace that I would definitely check Q9707 which are the transistors that open the backlight communication. Make sure they are not bad before you power your computer on, otherwise you would have to replace that fuse again. Q9707 looking at your picture same direction and everything it is the 6 leg IC chip on the right side of the fuse.

I would also check R9788, R9789, C9782, and Q9706.

If you need more guidance let me know!

Update

Block Image
Block Image
Block Image
Block Image

crwdns2934105:0crwdne2934105:0

crwdns2889612:0crwdne2889612:0 5

crwdns2944067:016crwdne2944067:0:

Thank you for your answer, I agree with the specification you sent me.

I will check the transistors, and the other components you mentioned.

One question: how do I check the transistors?

Thanks for your precious help.

Alessio

crwdns2934271:0crwdnd2934271:0crwdne2934271:0

Israel - Please do some work on your profile as well as contact information and link to your web site. Your excellent answers make me want to know more about you and the services you may offer. Thanks

crwdns2934271:0crwdnd2934271:0crwdne2934271:0

Hi Alessio!

To check if a FET Transistor is good or not do the following:

1. Multimeter in diode mode

2. Check between source and drain one polarity

3. Reverse polarity and test again

Good FET = low resistance one polarity and high resistance with reversed polarity

Shorted FET = low resistance both polarities

Open FET = high resistance both polarities

For Q9707 leg 3 and 4 are the source and drain

For Q9706 test between leg 4 and 1 (leg 1,2,5, and 6 are connected)

This repair seems very complex but it could be fairly easy. If you think the problem was pry damage then the fuse can definitely fix the problem right away. If this is by water damage or something alike then worry about circuit solving.

If you need more help just let me know

--- Mayer I just updated my contact info :)

crwdns2934271:0crwdnd2934271:0crwdne2934271:0

Israel, thanks for the profile update. Expertise like yours is always welcome on the site. The volume of questions has dramatically increased and qualified respondents are in short supply.

crwdns2934271:0crwdnd2934271:0crwdne2934271:0

Hi Israel please tell me if this fuse could be right:

http://eu.mouser.com/Search/m_ProductDet...

Thank you very much.

Alessio

crwdns2934271:0crwdnd2934271:0crwdne2934271:0

crwdns2934275:011crwdne2934275:0

crwdns2934285:0crwdne2934285:0

See the big red capacitors by the LCD connector? Put multimeter in diode mode and measure across, and provide number before replacing fuse.

crwdns2934105:0crwdne2934105:0

crwdns2889612:0crwdne2889612:0 2
crwdns2934285:0crwdne2934285:0

crwdns2934229:0crwdne2934229:0

Alessio Antonini crwdns2934231:0crwdne2934231:0
crwdns2936625:0crwdne2936625:0:

crwdns2936751:024crwdne2936751:0 2

crwdns2936753:07crwdne2936753:0 14

crwdns2936753:030crwdne2936753:0 45

crwdns2942667:0crwdne2942667:0 1,041