crwdns2933423:0crwdne2933423:0

Also known as LG Optimus P970 schwarz in Germany, released May 2011.

I need to bypass a button to get in recovery mode

Hello, I think it is better if I start from the begining:

My brother gave me a broken smartphone, I fixed it (here the question I asked: The device doesn't recharge.. ).

It was working well but I locked the phone. So now it ask me to insert email and password (I tried all emails with all possible password but them don't work).

I wanted to reset it through the PC but I can't. So the only possibility is to use the "normal" recovery mode. To get into it I have to use the power button.

Now the problem: I don't completely fixed the connector (that is used by the power button) because it required to solder very thin pins and I don't have the skills and the tools to do it. But now I need to use that button, so I thought "I know which pin brings the power button signal, so why don't bypass it". So I wont need to solder the thin pins. But the problem is that I don't know which voltage and amperage I should use. Any idea?

If you have others solutions it would be even better.

thank you!!!

P.S.:Sorry if my description is confused, but is hard to explain the situation normaly, a lot more in a language that isn't mine.

(In the other question there is the schematic of the connector too)

Block Image
Block Image
crwdns2934081:0crwdne2934081:0 crwdns2934083:0crwdne2934083:0 crwdns2934093:0crwdne2934093:0

crwdns2934109:0crwdne2934109:0

crwdns2889612:0crwdne2889612:0 2
crwdns2934285:0crwdne2934285:0

crwdns2933315:05crwdne2933315:0

crwdns2934051:0crwdne2934051:0

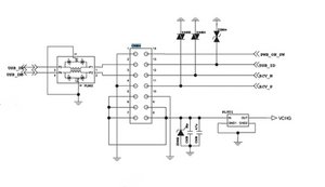
Giovanni Riva, take a look at the schematic from your precious question. Pin1 and 14 are the power button. Since it is a switch, you will not need to apply any power to the connector. You need to connect from point to point, in this case 1 to 14 should turn the power on. Placing a jumper across the other pins should also close the USB circuits. Pin 5-10 seem to relate to the charging circuit. Do not apply any additional power to the connector at all. Hope this helps, good luck.

Block Image

crwdns2934105:0crwdne2934105:0

crwdns2889612:0crwdne2889612:0 1

crwdns2944067:03crwdne2944067:0:

First of all, sorry for the late. I was very busy with the school and well... it's spring!!! I placed a jumper (is copper cable ok?) but it didn't work. I think the problem is in the contact connector-motherboard becouse as you probably remember I readded it with superglue. I added a photo that I had made before fixing the connector. Meanwhile I'm trying to get the connection between them. The problem is that in the photo them look so big, but they are so thin!! Thank you again, I didn't think that there has to be the other pin that bings the power to the button! :D

crwdns2934271:0crwdnd2934271:0crwdne2934271:0

I managed to get it on, now I only need to hold the copper wire in position, and push the ome key and vol- button at the same time :D

crwdns2934271:0crwdnd2934271:0crwdne2934271:0

Done! Now I have again a phone! thanks you! (meanwhile I fixed the power button with a homemade solution :D )

thank you again!

G.

crwdns2934271:0crwdnd2934271:0crwdne2934271:0

crwdns2934285:0crwdne2934285:0

If you allowed debugging mode at any point, you may be able to use ADB to force boot the device into recovery. I suggest following that to the end to see if its possible to reboot into recovery that way.

crwdns2934105:0crwdne2934105:0

crwdns2889612:0crwdne2889612:0 0

crwdns2947414:01crwdne2947414:0:

unfortunately I don't enambled the usb debug. My situation is complicated, is for this that I wanted to bypass the button and give the signal directly to the phone... Or does it work without "usb debug" enambled on the device? I read that ADB doesn't work without it...

thanks!!!

G.

crwdns2934271:0crwdnd2934271:0crwdne2934271:0

crwdns2934285:0crwdne2934285:0

I've got the solution to you but i've got no camera to upload a photo, but on the part of the sim, there's five solder points, the one in the middle is the power button, solder a switch between it and any metal surface ;)

crwdns2934105:0crwdne2934105:0

crwdns2889612:0crwdne2889612:0 0
crwdns2934285:0crwdne2934285:0

gave me a broken smartphone, I fixed

http://bedalie.blogspot.com

crwdns2934105:0crwdne2934105:0

crwdns2889612:0crwdne2889612:0 0
crwdns2934285:0crwdne2934285:0

Bonjour j'ai un problème avec mon lg p970 ce dernier se charge mais ne s'allume pas, après avoir regardé sur votre site et schéma du connecteur de charge sur carte mere je m'aperçois que la broche numéro 14 est cassée si vous pouvez m'aidez et me dire où trouver cette pièce je vous remercie.

Je suis de l'île de la réunion(océan indien)

crwdns2934105:0crwdne2934105:0

crwdns2889612:0crwdne2889612:0 0
crwdns2934285:0crwdne2934285:0

crwdns2934229:0crwdne2934229:0

Giovanni crwdns2934231:0crwdne2934231:0
crwdns2936625:0crwdne2936625:0:

crwdns2936751:024crwdne2936751:0 0

crwdns2936753:07crwdne2936753:0 0

crwdns2936753:030crwdne2936753:0 15

crwdns2942667:0crwdne2942667:0 4,829