crwdns2933423:0crwdne2933423:0
crwdns2947577:0crwdnd2947577:0crwdne2947577:0

Why is the backlight not working?

Hi

I just replaced the lcd of my macbook and now the backlight does not work. when I turn on the laptop, the lcd works but the backlight does not turn on. I tested with a couple of screens but no success.

Is the problem with the backlight LED, or fuse or logic board, is there any solution?

Model: Macbook air, 11 inches model A1370, 2011.

Any help would be highly appreciated

crwdns2934081:0crwdne2934081:0 crwdns2934083:0crwdne2934083:0 crwdns2934093:0crwdne2934093:0

crwdns2934109:0crwdne2934109:0

crwdns2889612:0crwdne2889612:0 3
crwdns2944067:012crwdne2944067:0

What are the last three of your serial number? that number will allow us to identify your computer and your motherboard a bit better.

crwdns2934271:0crwdnd2934271:0crwdne2934271:0

When replacing an LCD u need to be really carefull and me personally don't recommend doing it yours self.

maybe u forgot one of the cables when closing it?

crwdns2934271:0crwdnd2934271:0crwdne2934271:0

Hi

the last three letter of serial number are: JYC

all the cables are connected, the thing is that at the beginning i connected the backlight cable inversely, that might have missed up something...

crwdns2934271:0crwdnd2934271:0crwdne2934271:0

Navid km, it does appear as if your MBA has a backlight fuse. "The fuse is on the same side as the LCD connector (upper left, looking at the logic board with the botom cover removed). It is near a small 6-pin chip (WLED driver?) and the fuse itself is very tiny with a white dot (or "P"" in the center).

crwdns2934271:0crwdnd2934271:0crwdne2934271:0

Hi thanks for the nice replies,

I have to open the case and check the fuse on the motherboard, Can you please let me know where the WLED on the motherboard is and how to test it?

Navid

crwdns2934271:0crwdnd2934271:0crwdne2934271:0

crwdns2934275:07crwdne2934275:0

crwdns2934285:0crwdne2934285:0

crwdns2933315:08crwdne2933315:0

crwdns2934051:0crwdne2934051:0

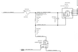
Navid km, since the cables were inversed, it is possible that you have issues with the fuse or the Mosfet. Check the fuse for continuity. It is a 3AMP-32V-467 and is available right here. Hope this helps, good luck.

F9700 is the fuse

Block Image

Here is the location on the motherboard

Block Image

Error

crwdns2936907:0225685 align=centercrwdne2936907:0

Example:

[image|123]

Current text:

[image|225685 align=center|align=left]

Update

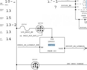
This is in respond to an email. The backlight driver is U9701 on the motherboard. It is a LP8550. the datasheet is available right here. Hope this clarifies it further.

Block Image
Block Image

crwdns2934105:0crwdne2934105:0

crwdns2889612:0crwdne2889612:0 3

crwdns2944067:07crwdne2944067:0:

Thanks for the useful info.

I will test soon and let you know the updates :)

crwdns2934271:0crwdnd2934271:0crwdne2934271:0

You are welcome. Best of luck to you.

crwdns2934271:0crwdnd2934271:0crwdne2934271:0

Hello Navi:

Do do you know the part # of the lp8550 ic chip for the mac air a1370?

I appreciate your help.

thank you.

crwdns2934271:0crwdnd2934271:0crwdne2934271:0

How do you check the fuse for continuity? I have a multimeter, but not that proficient at using it. Or at checking continuity.

crwdns2934271:0crwdnd2934271:0crwdne2934271:0

photgwa bigger fuse same idea http://www.learningaboutelectronics.com/...

crwdns2934271:0crwdnd2934271:0crwdne2934271:0

crwdns2934275:02crwdne2934275:0

crwdns2934285:0crwdne2934285:0
crwdns2934057:0crwdne2934057:0

Hi guys

I have doubts how to connect the backlight cable to the ZIF connector in the LCD converter board.

The backlight cable is coming from the lid and the converter board is connected to the LCD.

Here is a picture which compares two possible ways to connect the cable to the ZIF connector. As I recall the right pic (no. 2) should be correct but it makes more sense that the left pic (no. 1) is correct. Any idea?

Block Image

crwdns2934105:0crwdne2934105:0

crwdns2889612:0crwdne2889612:0 4

crwdns2944067:03crwdne2944067:0:

Number 2 is correct. It worked for me.

crwdns2934271:0crwdnd2934271:0crwdne2934271:0

yes i have same problem. and I saw this post i just try picture number 2 it work

thank a lot.

crwdns2934271:0crwdnd2934271:0crwdne2934271:0

How did you twist it for pic 2,,,if I tried it like that I would end up breaking the ribbon.

crwdns2934271:0crwdnd2934271:0crwdne2934271:0

crwdns2934285:0crwdne2934285:0

Hi

I managed to design my own board for the backlight driver, it works quit good in fact. In has the PWM as the input so that it can control the brightness. Also it has the control signal to turn off the backlight in sleep/screen saver mode.

Here is a picture of the board.

Let me know if you need further info.

Block Image

crwdns2934105:0crwdne2934105:0

crwdns2889612:0crwdne2889612:0 2

crwdns2947414:01crwdne2947414:0:

Navid km, that is perfect. You think you could/would post the schematic and more info about this? May be create a guide and post it here http://www.ifixit.com/Guide/new/Device/M...

Excellent job!!!!!

crwdns2934271:0crwdnd2934271:0crwdne2934271:0

crwdns2934285:0crwdne2934285:0

Ref. 1369A airbook.

Double check your backlight cable. It is the small cable in the middle of the polarizer control board. It has to be installed with the 2 white strips facing up and copper down.

crwdns2934105:0crwdne2934105:0

crwdns2889612:0crwdne2889612:0 2

crwdns2944067:02crwdne2944067:0:

2 white stripes facing up as in away from the control board, correct?

I originally installed it facing down and didn't get a backlight (LCD had display though). By the time I read your comment, though, I must of screwed something up because I installed it the way you said (which was a huge pain the ass and seems to against way the ribbon is folded) but not my display nor backlight works. :(

crwdns2934271:0crwdnd2934271:0crwdne2934271:0

You Sir are a LEGEND. I attached the connector facing the wrong way all the time! I tried inserting it as you said, and it did not work at first, but at the second try I pushed it in further and the led strip works perfectly now!!! HERO! @Jurek

crwdns2934271:0crwdnd2934271:0crwdne2934271:0

crwdns2934285:0crwdne2934285:0

Hi guy

I managed to take out the logic board and locate the chip (LP8550).

Here is a picture of the board showing the place of the chip.

It seems really challenging to replace the chip with all tiny components around. I hope that is the problem with backlight..

regards

Navid

Block Image

crwdns2934105:0crwdne2934105:0

crwdns2889612:0crwdne2889612:0 1

crwdns2944067:02crwdne2944067:0:

Navid, that is why board level repair is not very common (and expensive) for any computer and even most consumer electronics. I do hope that it is the IC and that you will not have any trouble repairing it. Best of luck to you and let's hope it will work :-)

crwdns2934271:0crwdnd2934271:0crwdne2934271:0

I would also recommend to test the led driver package and carefully check the LVDS connector and socket for any sign of damage. Replacing the fuse doesn't always solve the problem. A working fuse should show 12v on each side on a powered unit otherwhise there's something wrong with the circuit.

crwdns2934271:0crwdnd2934271:0crwdne2934271:0

crwdns2934285:0crwdne2934285:0

Hello,

When replacing the LCD of my Macbook 4,1 I also had problems with the backlight. When I had put the whole thing back together it did turn on, even the screen, but I hardly could not see anything.

I came out that during my repair process I did not put the inverter cable back in the right way, which cracked the cable..

Mayby that could be an issue with yours to?

crwdns2934105:0crwdne2934105:0

crwdns2889612:0crwdne2889612:0 0
crwdns2934285:0crwdne2934285:0

I checked the LVDS cable, seems fine but I'll check the pins according to the schematic by multimeter and a magnifier...

I soldered some wire to the input/output of the driver to check if everything is right...

here is a picture:

Block Image

crwdns2934105:0crwdne2934105:0

crwdns2889612:0crwdne2889612:0 0
crwdns2934285:0crwdne2934285:0

"I have doubts how to connect the backlight cable to the ZIF connector in the LCD converter board."

THe second pic is correct with the copper facing down. You've got it wrong though because the ribbon cable wraps around the inverter and back into the clip. Should be absolutely no need to twist the cable :)

This absolutely did my head in. Hope this helps others

crwdns2934105:0crwdne2934105:0

crwdns2889612:0crwdne2889612:0 0
crwdns2934285:0crwdne2934285:0

crwdns2934229:0crwdne2934229:0

Navid km crwdns2934231:0crwdne2934231:0
crwdns2936625:0crwdne2936625:0:

crwdns2936751:024crwdne2936751:0 2

crwdns2936753:07crwdne2936753:0 11

crwdns2936753:030crwdne2936753:0 62

crwdns2942667:0crwdne2942667:0 30,988