crwdns2933423:0crwdne2933423:0

Second model camcorder released in 2015. The Panasonic HC‑VX870 has wifi capabilities, 4K resolution camcorder.

Why won't my camera power on?

Took a chance and bought one of these used and untested. Came without cables and with just one battery. I have purchased additional batteries and charged them and the original battery but the camera still does not power on.

crwdns2934089:0crwdne2934089:0 crwdns2934093:0crwdne2934093:0

crwdns2934109:0crwdne2934109:0

crwdns2889612:0crwdne2889612:0 0

crwdns2947414:01crwdne2947414:0:

@oldturkey03 I got down to the main circuit board and it looks to my untrained eye like there might be some water damage. Is this salvageable at all? Got the camera from Goodwill for cheap, so it is not the end of the world if it can't be fixed, but I would love to find a way to get it working if possible.

[image|3734239]

[image|3734240]

[image|3734238]

crwdns2934271:0crwdnd2934271:0crwdne2934271:0

crwdns2934285:0crwdne2934285:0

crwdns2933315:03crwdne2933315:0

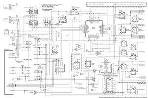
@cameronreed time to disassemble your camera and to check the power circuitry. you need to check the circuit around IC1503. Also, and this is very important, this camera does not have fuses on the board. It uses resistors as fuses. In particular, you are looking to check these resistors R1001/R1271/R1503 and R6003.

Block Image

Use the Panasonic HC‑VX870 SM to work on your camera. If there are any issues or you have any deeper questions, post some pictures of where you are and what you are looking at, with your Question. That way we can try and assist you with fixing your camera.

Update (08/13/25)

@cameronreed yep, looks like liquid damage. This "Is this salvageable at all" we will have to find out. First thing to do would be to clean damage. Now, the IC, the one that looks like it may have 16 contacts, has some writing on. See if you can identify the writing

Block Image

Lets start by cleaning the board.

I suggest you clean it just the way we clean other boards whenever they get water immersed. For that use 90%+ isopropyl alcohol and this guide. It was written for an Apple iPhone 3G but all the steps are still pertinent to your circuit board as well. For a good cleaning, do it over and over while replacing the alcohol after each cleaning. To achieve a good cleaning you may need a few passes on this :-) Once it is properly cleaned, post another set of pictures. Let's see if we can make out any component and evaluate the traces for further damage. You may also have to consider doing a reflow of the area with a rework station and plenty of flux ;-)

crwdns2934105:0crwdne2934105:0

crwdns2889612:0crwdne2889612:0 0
crwdns2934285:0crwdne2934285:0

@oldturkey03 I got down to the main circuit board and it looks to my untrained eye like there might be some water damage. Is this salvageable at all? Got the camera from Goodwill for cheap, so it is not the end of the world if it can't be fixed, but I would love to find a way to get it working if possible.

Block Image
Block Image
Block Image

crwdns2934105:0crwdne2934105:0

crwdns2889612:0crwdne2889612:0 0
crwdns2934285:0crwdne2934285:0

@oldturkey03

I've cleaned the board several times with alcohol. Pictures of it are attached. The writing on the IC is SBV TI 53F S619

Block Image
Block Image

crwdns2934105:0crwdne2934105:0

crwdns2889612:0crwdne2889612:0 0
crwdns2934285:0crwdne2934285:0

crwdns2934229:0crwdne2934229:0

Cameron Reed crwdns2934231:0crwdne2934231:0
crwdns2936625:0crwdne2936625:0:

crwdns2936751:024crwdne2936751:0 0

crwdns2936753:07crwdne2936753:0 6

crwdns2936753:030crwdne2936753:0 22

crwdns2942667:0crwdne2942667:0 68