crwdns2933423:0crwdne2933423:0
crwdns2947577:0crwdnd2947577:0crwdne2947577:0

16.2 MP Exmor R CMOS Digital Still Camera with 3.5-inch OLED Touchscreen, 3D Sweep Panorama and Full HD 1080/60p Video (Black) Release Date: January 12, 2011

Why is my camera don't on while charging

My camera don't on

crwdns2934089:0crwdne2934089:0 crwdns2934093:0crwdne2934093:0

crwdns2934109:0crwdne2934109:0

crwdns2889612:0crwdne2889612:0 0
crwdns2934285:0crwdne2934285:0

crwdns2933313:01crwdne2933313:0

@harsh56452 first you want to check your AC adapter. Make sure it has the proper voltage. Check to make sure the connectors are not bend etc. After that, check the charging port. Clean it of any debris etc, use a few puffs of air to clean it out. Make sure there is no corrosion, debris etc. that prevents it from working. If all of that checks out, you do want to go ahead and replace the battery. A depleted battery can no longer be charged and can possibly prevent the camera from coming on.

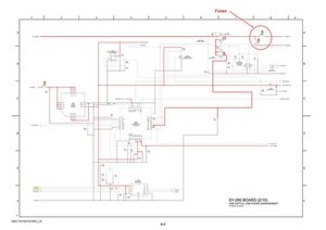
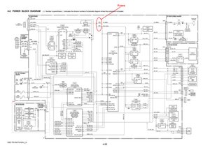
After that you will have to disassemble your camera and check the power circuitry on your camera. On your cameras SY-280 board are two fuses, marked F051 and F051. Those are the power supply fuses. Check those for continuity. If they have failed, your camera will not come on.

Block Image
Block Image
Block Image

You can now get the service manual on the bottom of this page Sony Cyber-shot DSC-TX100V Check under documents.

crwdns2934105:0crwdne2934105:0

crwdns2889612:0crwdne2889612:0 0
crwdns2934285:0crwdne2934285:0

crwdns2934229:0crwdne2934229:0

Harsh crwdns2934231:0crwdne2934231:0
crwdns2936625:0crwdne2936625:0:

crwdns2936751:024crwdne2936751:0 0

crwdns2936753:07crwdne2936753:0 4

crwdns2936753:030crwdne2936753:0 21

crwdns2942667:0crwdne2942667:0 158