crwdns2933423:0crwdne2933423:0

Furby was a popular electronic robotic toy resembling a hamster/owl-like creature which went through a period of being a "must-have" toy following its launch in the holiday season of 1998, with continual sales until 2000. Furbies sold 1.8 million units in 1998, 14 million units in 1999, and altogether in its three years of original production, Furbies sold over 40 million units.

How can I fix Furby's motion detector?

When you reset Furby he just goes into sleep mode and will not wake up until he is reset again.

crwdns2934081:0crwdne2934081:0 crwdns2934083:0crwdne2934083:0 crwdns2934093:0crwdne2934093:0

crwdns2934109:0crwdne2934109:0

crwdns2889612:0crwdne2889612:0 3
crwdns2934285:0crwdne2934285:0

crwdns2933315:03crwdne2933315:0

crwdns2934051:0crwdne2934051:0

not sure if you have a furby with a tongue but...according to the Furby hospital this procedure may work.

hold down tongue

turn furby upside down

shake furby a bit

turn right side up and release tongue.

You may have to hold tongue longer or try again. Just be gentle.

crwdns2934105:0crwdne2934105:0

crwdns2889612:0crwdne2889612:0 3

crwdns2944067:02crwdne2944067:0:

you factory reset my furby what the !&&* man

crwdns2934271:0crwdnd2934271:0crwdne2934271:0

at least you fixed it

crwdns2934271:0crwdnd2934271:0crwdne2934271:0

crwdns2934285:0crwdne2934285:0

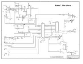
The only thing close to a motion detector circuit would be the Light sensor photocell in Furby's forehead. I would start on that one and see if it is still functioning. For way more info on the Furby, check this site. It has great information and plenty of autopsy pics. Attached is the diagram for the Furby's electronics. Hope this helps, good luck.

Block Image

crwdns2934105:0crwdne2934105:0

crwdns2889612:0crwdne2889612:0 3

crwdns2947414:01crwdne2947414:0:

Thank you OT3, while I am not thrilled with the information you have provided, my sister will be.... She has asked for some help with hers'. Looks like I have another project.

crwdns2934271:0crwdnd2934271:0crwdne2934271:0

crwdns2934285:0crwdne2934285:0

Do you mean the tilt sensor? Like the one that picks up if they're swinging or like flying etc? (I have no idea how to find/fix them on eithet the old ones OR the newer ones, i'll keep a lookout for you though...)

crwdns2934105:0crwdne2934105:0

crwdns2889612:0crwdne2889612:0 1

crwdns2947414:01crwdne2947414:0:

Here's a guide that cleans/repairs the tilt sensor: https://furbytech.tumblr.com/post/167541...

crwdns2934271:0crwdnd2934271:0crwdne2934271:0

crwdns2934285:0crwdne2934285:0

crwdns2934229:0crwdne2934229:0

Valgene McWhorter crwdns2934231:0crwdne2934231:0
crwdns2936625:0crwdne2936625:0:

crwdns2936751:024crwdne2936751:0 1

crwdns2936753:07crwdne2936753:0 6

crwdns2936753:030crwdne2936753:0 24

crwdns2942667:0crwdne2942667:0 12,076