crwdns2933423:0crwdne2933423:0

Support for gas-powered and electric golf carts, sometimes referred to as golf cars or club cars after the Club Car Golf Cart brand.

How is the 'reset' function performed then?

How is the 'reset' function performed then?

Update (01/26/24)

I am trying to find the fault with a friend's Yamaha electric golf cart (2015 model YDREX6. Power is there, charge is good, but pressing the power pedal produces nothing - no sound of a solenoid kicking in, no movement, nothing. Where do I start?

crwdns2934089:0crwdne2934089:0 crwdns2934093:0crwdne2934093:0

crwdns2934109:0crwdne2934109:0

crwdns2889612:0crwdne2889612:0 0

crwdns2947414:01crwdne2947414:0:

Hi @nicvanwyk,

What is the model and year of the cart?

crwdns2934271:0crwdnd2934271:0crwdne2934271:0

crwdns2934285:0crwdne2934285:0

crwdns2933313:01crwdne2933313:0

Hi @nicvanwyk

Check that the tow switch hasn't been operated.

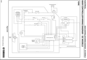
If the switch is not operated and as you said that the solenoid is not even clicking, here's an image of the wiring diagram that may help.

Use it to check if power is getting to the solenoid (shown as relay in wiring diagram) when it should.

Block Image

(click on image)

crwdns2934105:0crwdne2934105:0

crwdns2889612:0crwdne2889612:0 0
crwdns2934285:0crwdne2934285:0

crwdns2934229:0crwdne2934229:0

Nic van Wyk crwdns2934231:0crwdne2934231:0
crwdns2936625:0crwdne2936625:0:

crwdns2936751:024crwdne2936751:0 0

crwdns2936753:07crwdne2936753:0 5

crwdns2936753:030crwdne2936753:0 16

crwdns2942667:0crwdne2942667:0 136