crwdns2933423:0crwdne2933423:0

The Sony Playstation 2 SCPH-790xx is the fourth revision of the Playstation2 slimline model.

Power throughout device but it doesn't turn on?

I've tested all of the main points and just random spots throughout the board with power plugged in and the power flows through the whole thing but still, when I have it all together it doesn't turn on, like the little led on doesn't turn on. I thought maybe the led was out so I tried to turn it on while it was connected to the tv but nothing happened. I was wondering if this is a possible fix because everywhere I look online just says to solder the power plug joints back to the board but there not broken.

Update (01/22/2023)

Block Image

of the bottom of the board

Block Image

of the top of the board

Block Image

another of the top

Update (01/22/2023)

Block Image

okay, the one outlined in red is a bit resistant (its coming up about a 15-20 on my multimeter), and the blue one has no continuity at all.

crwdns2934089:0crwdne2934089:0 crwdns2934093:0crwdne2934093:0

crwdns2934109:0crwdne2934109:0

crwdns2889612:0crwdne2889612:0 1

crwdns2944067:012crwdne2944067:0:

@octopie is your power LED does not come on, that means your PS2 does not get power. Your PS2 is a PlayStation 2 Slimline?

crwdns2934271:0crwdnd2934271:0crwdne2934271:0

yes, it is a slim, when I have it plugged in and I test it with a multimeter it says that there is power moving through it, roughly 18 volts, so I'm not entirely sure what it would be...

crwdns2934271:0crwdnd2934271:0crwdne2934271:0

@octopie there were issues with the power supply on the PS2 slim. Have you checked yours?

crwdns2934271:0crwdnd2934271:0crwdne2934271:0

@octopie good and thanks for the pictures. Now, let's see what we can come up with.

crwdns2934271:0crwdnd2934271:0crwdne2934271:0

@oldturkey03 Yeah, I'm fixing this for a friend and I tested their power supply with a ps2 I have and know works and it worked for that one and my working power supply didn't do anything for this one. Also, posted more pictures.

crwdns2934271:0crwdnd2934271:0crwdne2934271:0

crwdns2934275:07crwdne2934275:0

crwdns2934285:0crwdne2934285:0

crwdns2933315:02crwdne2933315:0

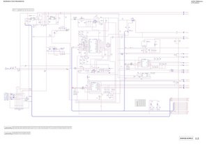
@octopie I am not really convinced about the random tests and the 18V being good. Use a multimeter to check for continuity (and voltage) of the fuses. Of course, look for any charred, burned, or missing component as well. Here is the schematic for the power supply. Go ahead and test the voltages on that.

Block Image

It's a big scan. Download the image and open in your image viewer

Update (01/22/2023)

@octopie looks like there maybe some damage on the board.

Block Image

Check and see what is going on in that area

Update (01/29/2023)

@octopie let's see this area (yellow outline) from both sides. Nice head-on pictures. That all looks like there is something going on. Water damage possibly, but it could just be my old eyes.

Block Image

crwdns2934105:0crwdne2934105:0

crwdns2889612:0crwdne2889612:0 0

crwdns2944067:02crwdne2944067:0:

i think this is the board from a 70xxx model I have a 790xx

I don't know if the boards are the same and just moved around or something but half of these fuses arent there or near where they are in the picture :/

crwdns2934271:0crwdnd2934271:0crwdne2934271:0

@octopie easy fix, we'll delete the image. Post a couple of good ones of your board. Lets see what we can find out. I know it's a lot of back and forth but as you can see, online fixing is a bit different. So, don't get frustrated and remember that

REPAIR IS WAR ON ENTROPY

;-)

crwdns2934271:0crwdnd2934271:0crwdne2934271:0

crwdns2934285:0crwdne2934285:0

Queria saber o valor desses dois capacitores eletrolítico menores próximo ao ci de áudio, se alguém puder mim informar agradeço muito

Block Image

crwdns2934105:0crwdne2934105:0

crwdns2889612:0crwdne2889612:0 0

crwdns2947414:01crwdne2947414:0:

@paulonairi47685 Marking the once you are looking for would be so much easier for anybody trying to answer your question.

Translate

@paulonairi47685 Marcar o momento em que procuras seria muito mais fácil para quem tentasse responder à tua pergunta.

crwdns2934271:0crwdnd2934271:0crwdne2934271:0

crwdns2934285:0crwdne2934285:0

crwdns2934229:0crwdne2934229:0

Damien Simons crwdns2934231:0crwdne2934231:0
crwdns2936625:0crwdne2936625:0:

crwdns2936751:024crwdne2936751:0 2

crwdns2936753:07crwdne2936753:0 10

crwdns2936753:030crwdne2936753:0 54

crwdns2942667:0crwdne2942667:0 881