crwdns2933423:0crwdne2933423:0

Repair guides and support for the revised 1st-generation Ranger compact pickup truck. The Ranger received a facelift and some mechanical updates for the 1989 model year.

Why won't my 89 ford ranger start?

I have an 89 ford ranger that I backed into a ditch and the truck lost power. Since then it will not crank, I have replaced the fuel pump, eec and relays but I am still getting no power to the fuel pump, I am lost as to what my next step should be, or where I have an issue....and guidance would be appreciated.

Update (05/14/2022)

It has the 2.9 engine electronic fuel injected. It it's turning over but not starting. I'm unsure if it is a wiring issue to the pump, I've been told wires can look fine but be damaged on the inside causing an issue. The inertia switch has been checked and is good. When starter fluid is sprayed into throttle body it starts and run till the fluid burns off then cut off on me again.

crwdns2934081:0crwdne2934081:0 crwdns2934083:0crwdne2934083:0 crwdns2934093:0crwdne2934093:0

crwdns2934109:0crwdne2934109:0

crwdns2889612:0crwdne2889612:0 0
crwdns2934285:0crwdne2934285:0

crwdns2933313:01crwdne2933313:0

crwdns2934051:0crwdne2934051:0

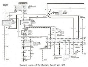
@jinxed_jenn thank you. Okay definitely sounds like a fuel issue. The sequence for the power to the pump is Battery-Fuse-RElay-Inertia switch-Pump. Check your fuses, the pump relay and the wiring harness. Place a test light on the connectors to the pump and see if that light comes on when you turn the key. The fuel pump only gets power for 2 seconds when the key is turned to ON. After that it will not get power until the engine starts, or if you turn the key to the OFF and then ON again. So you can only "test for power" for those 2 seconds.If it does, you know you have power to the pump. If it does not, you can trace it backwards from there.

Looks like fuse #1 is the one for the pump and the fuel pump relay is under the hood near the firewall in the center.

Block Image
Block Image

Great write up here on how to test relays etc. found here If you have a volt meter you can test it by unplugging the fuel pump relay relay from its base.Turn the Key off of course. Then test each hole of the connector for 12V. The one that has the 12V will be from the battery to the fuse block. No 12V on there and you know it is either the fuse or the wiring coming from the battery. If you then turn the Key to the ON position you should have a second 12 connection. If so you know the error is further down the line.

Just make sure you did reset the inertia switch.

crwdns2934105:0crwdne2934105:0

crwdns2889612:0crwdne2889612:0 1
crwdns2934285:0crwdne2934285:0

crwdns2934229:0crwdne2934229:0

Jennifer crwdns2934231:0crwdne2934231:0
crwdns2936625:0crwdne2936625:0:

crwdns2936751:024crwdne2936751:0 1

crwdns2936753:07crwdne2936753:0 7

crwdns2936753:030crwdne2936753:0 35

crwdns2942667:0crwdne2942667:0 1,535