crwdns2933423:0crwdne2933423:0

The Town & Country was redesigned for the 2001 model-year, using the Chrysler RS platform and initially only available in long-wheelbase (LWB) form.

Why won't my turn signal work?

Recently my front driver side turn signal bulb went out. It did the thing where it started blinking rapidly, suggesting the bulb was getting bad, but then it quickly stopped working altogether.

I took it to a mechanic who put a new bulb in, which also didn't work. He tried both the old bulb and the new bulb in the other turn signal bulb sockets, and both bulbs worked in them.

The mechanic said he tested the fuses and wire harness, and didn't find any issues there, and said I may need a new computer chip. Any ideas what else it could be?

crwdns2934089:0crwdne2934089:0 crwdns2934093:0crwdne2934093:0

crwdns2934109:0crwdne2934109:0

crwdns2889612:0crwdne2889612:0 0
crwdns2934285:0crwdne2934285:0

crwdns2933313:01crwdne2933313:0

crwdns2934057:0crwdne2934057:0

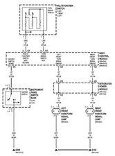
@amfarrell this is one of those cases where your mechanic may actually be right. there are no more relay, the blinker is controlled by the BCM. If the wiring/connection/bulbs/fuses are okay and he has checked the Multi Function Switch (blinker switch) then it is either the BCM or the IPM.

Block Image

crwdns2934105:0crwdne2934105:0

crwdns2889612:0crwdne2889612:0 2

crwdns2947414:01crwdne2947414:0:

Thanks for the reply! It wasn't what I wanted to hear, but I feel more comfortable with my mechanic's report now that I have this second opinion. Thanks again!

crwdns2934271:0crwdnd2934271:0crwdne2934271:0

crwdns2934285:0crwdne2934285:0

crwdns2934229:0crwdne2934229:0

Austin Farrell crwdns2934231:0crwdne2934231:0
crwdns2936625:0crwdne2936625:0:

crwdns2936751:024crwdne2936751:0 0

crwdns2936753:07crwdne2936753:0 7

crwdns2936753:030crwdne2936753:0 25

crwdns2942667:0crwdne2942667:0 519