crwdns2933423:0crwdne2933423:0

Released in July 1983 in Japan, the Nintendo Family Computer, or Famicom, is the matching predecessor to the Nintendo Entertainment System (NES). Model HVC-001.

My Famicom won't power on or show any video signal!

Hello and thank you to anybody looking at this post.

I recently bought a famicom off ebay in box with four other games, the original box was tattered but the console was in decent shape. I tried to use the japanese RF adapter with my TV but soon found that it does not work on US televisions. So I bought a US RF adapter and the console still shows no video… Any troubleshooting tips? I don’t have any idea what is at fault here and I’m not familiar with the famicom either…

Thanks!

crwdns2934089:0crwdne2934089:0 crwdns2934093:0crwdne2934093:0

crwdns2934109:0crwdne2934109:0

crwdns2889612:0crwdne2889612:0 0
crwdns2944067:04crwdne2944067:0

@af5000 you just had a japanese RF adapter or it came with the FamiCom? Any dea where the cosole is from? What TV are you connecting to? Any sign of life from the FamiCom?

crwdns2934271:0crwdnd2934271:0crwdne2934271:0

@oldturkey03 The Japanese RF adapter came with the console and I bought a US one to connect with my US TV. The console was bought from ebay and shipped from Kentucky but I assume it was originally from japan, I do not know what year it is from. I do not know how to see any "signs of life" but the red sticker on the power button shows? No audio or video is shown on the TV. I have tried connecting to an emerson TV and a Coby TV, both CRT's and they are tuned and able to go to channel 95/96.

crwdns2934271:0crwdnd2934271:0crwdne2934271:0

Try a standard RCA cable and connect it to your TV's antenna jack with an RCA-to-Coax adapter

crwdns2934271:0crwdnd2934271:0crwdne2934271:0

You can Not use a AV cable directly connect the RF output of FC to your AV input of your TV. First check your TV is NTSC and not PAL format. Switch the black switch to Game on the back of FamilyCom unit. You need a RF switch box connect to RF output than use a RCA-to-Coax adapter to the "Athena" or "Y-cable" connector of your TV. The final step is tune you TV to search the channel signal of FC .It just like this: https://www.google.com/search?q=family+c...

crwdns2934271:0crwdnd2934271:0crwdne2934271:0

crwdns2934285:0crwdne2934285:0

crwdns2933313:01crwdne2933313:0

crwdns2934057:0crwdne2934057:0

@af5000

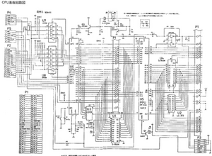
since it does not power on you do want to go ahead and check the power supply. After that, take it apart and follow the schematic for further troubleshooting. Nintendo Family Computer (Famicom) Teardown

Block Image

The specific and original AC Adapter for the Famicom and the Super Famicom has the following specifications:

Input: 100VAC 50-60Hz

Output: 10VDC 850mA

Polarity: Centre Pin Negative

(+)------------(o------------(-)

Barrel Size: Outer Diameter 5.5mm; Inner Diameter 2.1mm

crwdns2934105:0crwdne2934105:0

crwdns2889612:0crwdne2889612:0 1

crwdns2947414:01crwdne2947414:0:

Thank You! Quick question. How do I check the power supply? I normally just use another one but I don't have that luxury... I have a multimeter but I'm clueless...

crwdns2934271:0crwdnd2934271:0crwdne2934271:0

crwdns2934285:0crwdne2934285:0

crwdns2934229:0crwdne2934229:0

Jon The Otaku crwdns2934231:0crwdne2934231:0
crwdns2936625:0crwdne2936625:0:

crwdns2936751:024crwdne2936751:0 3

crwdns2936753:07crwdne2936753:0 12

crwdns2936753:030crwdne2936753:0 29

crwdns2942667:0crwdne2942667:0 4,168