crwdns2933423:0crwdne2933423:0
crwdns2947577:0crwdnd2947577:0crwdne2947577:0

The Nikon D80 is a digital, 10.2 megapixel, single-lens camera that was released to the public in 2005. It is meant for digital photo-taking and filming.

Err Message/ Flash won't work

I have a Nikon D80. It won't take a picture on any setting and keeps showing an ERR message. THe flash will not pop up. Does anyone know what could be wrong with it? Or how to repair it?

Thank you!

crwdns2934081:0crwdne2934081:0 crwdns2934083:0crwdne2934083:0 crwdns2934093:0crwdne2934093:0

crwdns2934109:0crwdne2934109:0

crwdns2889612:0crwdne2889612:0 1
crwdns2944067:02crwdne2944067:0

Does it only give you an error after you press the flash popup button?

If I remember correctly the mechanism is fully mechanical (the popup function that is). It may be because the flash is not poping up.

Did you drop it or anything?

crwdns2934271:0crwdnd2934271:0crwdne2934271:0

I will try that right now!..Thank you SO much for you advice!

crwdns2934271:0crwdnd2934271:0crwdne2934271:0

crwdns2934285:0crwdne2934285:0

crwdns2933313:01crwdne2933313:0

crwdns2934051:0crwdne2934051:0

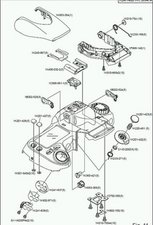
Gently push down on the top of the flash head and push the manual release button for the flash.The little hook that is holding the flash and is supposed to retract when you push the bottom to pop up the flash is probably stuck. Just a little explosion drawing, may help you out to see what is going on (hope I copied the right page:-) Good Luck

Block Image

crwdns2934105:0crwdne2934105:0

crwdns2889612:0crwdne2889612:0 2
crwdns2934285:0crwdne2934285:0

crwdns2934229:0crwdne2934229:0

Dawn crwdns2934231:0crwdne2934231:0
crwdns2936625:0crwdne2936625:0:

crwdns2936751:024crwdne2936751:0 4

crwdns2936753:07crwdne2936753:0 12

crwdns2936753:030crwdne2936753:0 33

crwdns2942667:0crwdne2942667:0 9,544