crwdns2933423:0crwdne2933423:0

The Cadillac DeVille was originally a trim level and later a separate model produced by Cadillac. The first car to bear the name was the 1949 Coupe de Ville, a prestige trim level of the Series 62 luxury coupe.

Why aren't my turn signals working?

I own a 1996 Cadillac deville. My hazards work just fine but my turn signals don't. I replaced my flasher and they still don't work. What could this be? Is there another fuse I'm missing?

crwdns2934089:0crwdne2934089:0 crwdns2934093:0crwdne2934093:0

crwdns2934109:0crwdne2934109:0

crwdns2889612:0crwdne2889612:0 0
crwdns2934285:0crwdne2934285:0

crwdns2933313:01crwdne2933313:0

crwdns2934057:0crwdne2934057:0

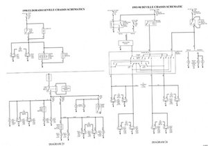
@anthony555 fuse 19 is your indicator fuse

Block Image

and attached is the wiring diagram that should help you out for further troubleshooting

Block Image

crwdns2934105:0crwdne2934105:0

crwdns2889612:0crwdne2889612:0 2
crwdns2934285:0crwdne2934285:0

crwdns2934229:0crwdne2934229:0

Tony faina crwdns2934231:0crwdne2934231:0
crwdns2936625:0crwdne2936625:0:

crwdns2936751:024crwdne2936751:0 0

crwdns2936753:07crwdne2936753:0 0

crwdns2936753:030crwdne2936753:0 6

crwdns2942667:0crwdne2942667:0 150