Panasonic Viera TC-P50V10 doesn't turn on, blinks.
My TC-P50V10 won't turn on anymore.
When I plug it in, the red light turns on, and 2 seconds later, it turns off.
It then starts blinking. I started counting the number of blinks, but once it got past 100, I stopped counting...
A few days ago, when this issue started happening, I was able to reset the tv by holding the power button for 60 seconds. That process worked a few times: I was able to turn the TV on. As days passed, that process became more and more unreliable. Now, nothing I try works. I've cleaned the fans too.
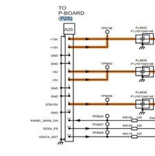
I've included pictures, please take a look. I added a grid to the pics hoping it would help you communicate which components I should test:
Thanks for your help!
Update (01/21/2017)
Hi @oldturkey03, I tested all the pins, and got these numbers:
Let me know what you would try next, thanks for your help!
crwdns2934109:0crwdne2934109:0
 
                        