crwdns2933423:0crwdne2933423:0
crwdns2947577:0crwdnd2947577:0crwdne2947577:0

Signal won't work when signalling

The signaling light on my Pontiac Sunfire does not work when I want to signal left or right.

crwdns2934081:0crwdne2934081:0 crwdns2934083:0crwdne2934083:0 crwdns2934093:0crwdne2934093:0

crwdns2934109:0crwdne2934109:0

crwdns2889612:0crwdne2889612:0 3
crwdns2947414:01crwdne2947414:0

My hazard lights work fine. The turn signal lights up for just ask instant when I move the lever right or left but then nothing.

crwdns2934271:0crwdnd2934271:0crwdne2934271:0

crwdns2934285:0crwdne2934285:0

crwdns2933315:03crwdne2933315:0

crwdns2934051:0crwdne2934051:0

Hi,

What happens when you want to signal?

Do you hear a clicking sound? Does the turn light (left or right) come on and stay on or not at all? Do the Hazard lights work?

If the hazard lights and the turn lights come on but do not flash, the flasher module is probably faulty. (The service manual says the turn/hazard flasher module is mounted, under the dashboard, above and to the right of the brake pedal mounting support).

If the Hazard lights and the turn signal lights do not even come on check their fuses.

This is out of GM's Electronic Service Information (ESI)

Turn Signal, Hazard Lamps Circuit Description

''Both the TRN-BU and the STOP-HAZ fuses in the IP junction block supplies battery positive voltage to the flasher module, which is part of the hazard switch assembly. When the turn signal switch is placed in either the left or right position, current flow is from the flasher module's left or right hand output to the turn signal switch assembly. The flasher module then sends an on-off (flashing) voltage to either the left turn signals and their instrument cluster indicator, or the right turn signals and their instrument cluster indicator. The front turn signals are grounded at G102. The rear turn signals are grounded at G304.

When the hazard switch is pressed, the hazard switch contacts close and the flasher module is connected to the turn signal lamps. The turn signal/hazard flasher supplies battery positive voltage in an on-off flashing pattern to all the turn signal lamps. All the turn signal lamps and both turn indicators illuminate in the same flashing pattern.

GM has had problems with the flasher module on your year make car.''

Hopefully this is of some help.

Update (07/11/2018)

Hi @starya ,

Here’s an image showing the location of the flasher unit for a 2000 Pontiac Sunfire (you didn’t state the year model).

Search online for (insert year) Pontiac Sunfire Flasher unit to get prices.

Block Image

(click on image to enlarge for better viewing)

crwdns2934105:0crwdne2934105:0

crwdns2889612:0crwdne2889612:0 2

crwdns2944067:04crwdne2944067:0:

what does grounded at G102 and G304 mean my signals and 4ways don't work tried changing flash relay in fuse box,flash module in dash ,and turn signal switch in steering column nothing seems to help Len

crwdns2934271:0crwdnd2934271:0crwdne2934271:0

I just want to know we're the relay switch is located that's all and how much dos one cost to replace

crwdns2934271:0crwdnd2934271:0crwdne2934271:0

I could not get the lever to signal Checked all #10 fuses , (all good) all lights worked Good bulbs then checked here om this site, and remembered I had not worked flashers, they worked , and then the turns worked. A minor miracle , saved me an electronic check up, $70 minimum ! Thanks for the hint.. .

crwdns2934271:0crwdnd2934271:0crwdne2934271:0

@westgrahare

Maybe the contacts in the hazard switch weren't closed properly or perhaps the hazards switch wasn't fully released. The turn signal circuit for all the turn signal lamps L & R passes through the hazard switch.

If the problem occurs again and the turn signals work again after operating/releasing the hazards switch you may have to replace the switch.

crwdns2934271:0crwdnd2934271:0crwdne2934271:0

crwdns2934285:0crwdne2934285:0
crwdns2934057:0crwdne2934057:0

Hi Len Perras ,

G102 and G304 are ground points connections in the vehicle.

These two images show the location of G102

Block Image

and G300

Block Image

(not sure about G304 now as the only ground distribution wiring diagram I could find was for a 2000 Pontiac Sunfire SE) but it shows the ground wiring for both the front and rear turn indicators so hopefully it is of some help.

This is a link for the complete wiring diagrams for a 2000 Sunfire SE. Scroll down to p.36 for the wiring diagram for the exterior lights http://diagramas.diagramasde.com/automov...

About your problem I assume you mean that all your turn lights do not operate, either left or right or when operating as hazard lights.

Seems funny but do your brake lights work? The fuse that feeds the brake lights also feed the 4 turn lights via the logic circuit. The turn lights when operating just as turn lights are fed by a different fuse. I'm assuming that you have checked both fuses.

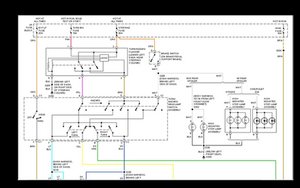
Can you hear the flasher unit operating either when in hazard mode or turn signal mode? If not and if your brake lights are working and the turn/backup fuse is OK it could be that you have a faulty ground connection to the flasher module. Here is an image showing the relevant details.

Block Image

If you can hear the relay operating it would be unusual for both front and rear lights not to work because of a faulty ground connection, as they are connected to ground at different parts of the vehicle.

crwdns2934105:0crwdne2934105:0

crwdns2889612:0crwdne2889612:0 3

crwdns2944067:02crwdne2944067:0:

My signals work intermittently a couple of clicks left or right. New flasher didn't help. New signal mechanism didn't help, always the same problem. Four ways work without flasher box. Help!!! Thanks

crwdns2934271:0crwdnd2934271:0crwdne2934271:0

Have the same issue, my hazard lights work just fine, but the turn signals do not. I have replaced the turn signal switch, the flasher relay, and checked all fuses, but the issue remains. I know the bulbs are fine because the hazards work. I know the fuse is fine because i replaced it with a known working fuse. How can it be a faulty ground connection if the hazards work? I'm not sure what else it could be!

crwdns2934271:0crwdnd2934271:0crwdne2934271:0

crwdns2934285:0crwdne2934285:0

Hi @granth12 ,

My answer above regarding the ground was in relation to a specific comment/question asked by Len Perras where he stated that both turns and hazards didn’t work. I also stated that since there are different grounds for front and rear it would be unusual for both sets F + R not to work.

Regarding your problem.

Have you checked the hazards switch? The turn signals operate through the hazards switch when it's in the normal position. Try operating/releasing it a few times and check if the turn signals then work

Does the flasher relay operate when the turn signal switch is operated?

If the flasher doesn’t operate with the turn signal switch operated it could be that there is no power to operate the relay or no earth signal to say to turn the relay on and off.

The following is based on the circuit provided above (your vehicle may be different)

To check if there is power you need to test for power at pin 1 of the flasher unit with the ignition key in the On or Run position.

if there is no power on pin 1 of the flasher unit (with the ignition key turned on), first check if there is power at the fuse. It may be faulty wiring from the ignition relay to the fuse position.

If there is power at the fuse then it may be a faulty connection on the back of the fuse block for that fuse, or a faulty connection on pin 1 of the flasher unit or anywhere in between. You could also check that the connectors that hold the turn fuse in the fuse block are OK and have not either "burnt away" (use a strong light and a magnifying glass to check) or have enough tension on the fuse.

If there is power at pin 1 of the flasher unit, the earth that "tells" the logic circuit that the relay "needs" to be operated comes from the lights and it is the same earth for both the turn signals and the hazards BUT it appears at two different connectors in the flasher unit coming from two different contacts in the hazards switch. For the turn signals it is on pin 4 and for the hazards it is on pin 3.

So it could be a faulty connection or wire between the hazard switch (E terminal) and the flasher unit (pin 4 -on the circuit it is shown as a purple wire) or it could also be a faulty hazard switch contact individual to the turns circuit

Hopefully this is of some help.

crwdns2934105:0crwdne2934105:0

crwdns2889612:0crwdne2889612:0 1
crwdns2934285:0crwdne2934285:0

crwdns2934229:0crwdne2934229:0

Andrei Chita crwdns2934231:0crwdne2934231:0
crwdns2936625:0crwdne2936625:0:

crwdns2936751:024crwdne2936751:0 4

crwdns2936753:07crwdne2936753:0 15

crwdns2936753:030crwdne2936753:0 81

crwdns2942667:0crwdne2942667:0 15,920