crwdns2933423:0crwdne2933423:0
crwdns2947577:0crwdnd2947577:0crwdne2947577:0

Also known as LG Optimus P970 schwarz in Germany, released May 2011.

The device doesn't recharge.

The tiny piece in the image came off, I fixed it with some superstrong glue and pressed the contact on both side down. Before try to recharge it I would like to know if there is danger, could it oxidize? and if yes, There is something that I can put on to isolate it from the air?

Block Image
Block Image
Block Image
Block Image
Block Image
Block Image
crwdns2934081:0crwdne2934081:0 crwdns2934083:0crwdne2934083:0 crwdns2934093:0crwdne2934093:0

crwdns2934109:0crwdne2934109:0

crwdns2889612:0crwdne2889612:0 3
crwdns2944067:06crwdne2944067:0

Could you place an arrow or some other marker on the piece that has come off? Difficult to determine which part you are looking at. Oh, are you talking about a torn connector of the flex cable that is now stuck in the connector on the logic board?

crwdns2934271:0crwdnd2934271:0crwdne2934271:0

Added image, I don't know how it should be named but is that! :D

crwdns2934271:0crwdnd2934271:0crwdne2934271:0

Giovanni Riva, just to clarify. the connector came loose on the board?

crwdns2934271:0crwdnd2934271:0crwdne2934271:0

yes, I re-add it with a (very) little bit of superstrong glue. Don't ask me how my brother did it! :D

crwdns2934271:0crwdnd2934271:0crwdne2934271:0

Trust me, things happen all the time ;-) I don't think the glue is going to get it resolved. You will have to make proper contact for it to work. Check my answer

crwdns2934271:0crwdnd2934271:0crwdne2934271:0

crwdns2934273:01crwdne2934273:0

crwdns2934285:0crwdne2934285:0

crwdns2933315:02crwdne2933315:0

crwdns2934051:0crwdne2934051:0

Giovanni Riva, looking at the images and checking where you said you applied glue, it appears as if your connector came off the board. Yes, it looks like you have enough of the original contacts left that you can solder it. Leave it the way you have it right now and apply solder bridges with a very fine-tipped soldering iron. The glue may not support the points making contact. Hope this helps, good luck.

Block Image

Update

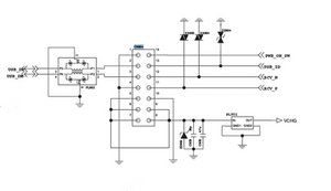
The connector is CN904 : Upper FPCB Conn1.

- no Power on

- no USB

- no Receiver

The schematic may be what you are looking for to determine which pin does what. It is not as easy as just positive and negative connection :-)

I would definitely suggest to purchase a fine soldering iron and get the connector resoldered. It'll be a 5 minute job for someone :-)

Block Image

crwdns2934105:0crwdne2934105:0

crwdns2889612:0crwdne2889612:0 3

crwdns2944067:018crwdne2944067:0:

Is it absolutly necessary? I have a solder but it isn't thin! And what you mean with "solder bridge"? this http://www.ustr.net/smt/smd006.jpg ? So I can mix the pins? thanks!

crwdns2934271:0crwdnd2934271:0crwdne2934271:0

NO solder bridge from the bottom of the contact to the connector, not across. Sorry , but I do not think there is any other way but to solder it back on. A 15W-30W soldering iron with a small tip should get this soldered. Use a small soldering tip and do not use a soldering gun.Practice on some old logic board first. Only you know your limitations, but practice makes perfect ;-) if you are unsure about doing this yourself, check with a local repair shop and see how much they might charge you.

crwdns2934271:0crwdnd2934271:0crwdne2934271:0

How do you do the image? I posted only a modificated copy!

I have something like 5 (very) old phone completely broken, I will destroy them first. ;) Thanks I'll post my results. :)

crwdns2934271:0crwdnd2934271:0crwdne2934271:0

OK, it's impossible to me do not damage the connector. My solder welding is too big. I don't have any other. Anyway, I was thinking: this connector is the one that brings energy to the device. Only the battery, the microUSB port and the "on button" on one side and the whole logic board on the other side. So, if I find out which contacts bring positive energy and wich negative, fix it will be a lot more simple, because I can "mix" a little the pins. I know I'm crazy but I think that this connector doesn't brings complicated informations, only energy. What do you think about this? I could find out which energy each pin brings checking the other part that is connected to the battery. Ok, maybe I'm crazy... :D

crwdns2934271:0crwdnd2934271:0crwdne2934271:0

But if I try to turn it on it will be dammaged? Maybe as it is now is enough... Meanwhile I'll search a finer soldering. :D

crwdns2934271:0crwdnd2934271:0crwdne2934271:0

crwdns2934275:013crwdne2934275:0

crwdns2934285:0crwdne2934285:0

Are you saying that the entire port came off, that the one pin came loose, or that the cable came off the port (socket)?

If the entire socket/port came off of the board, you'll have a hard time getting it to properly seat with all of the connections in place, without resoldering it. I bet this isn't the case though.

The cable that goes into that socket is held firmly in place by pressure from the cover. The real problem is probably in the pins in the microUSB jack or in the actual battery connection from the jack. That isn't the battery connection I dont' think.

crwdns2934105:0crwdne2934105:0

crwdns2889612:0crwdne2889612:0 1

crwdns2944067:06crwdne2944067:0:

Sorry but... no! the micro USB is perfect. the piece that I circle was COMPLETELY come off, with the glue I re-add it but the contact may be still interrupted.

crwdns2934271:0crwdnd2934271:0crwdne2934271:0

you can't glue it back on successfully. get a fine fine tip. clean it and flux it and you might be able to reflow the existing solder instead of having to add more. Lots of mobile phone repair shops will do this for $30-50 if you don't want to.

crwdns2934271:0crwdnd2934271:0crwdne2934271:0

I knew that glue it wasn't enought, but it help to hold it in place. Now I only have to decide how solder. But I think it will be a little bit dfficult because my solder is too big.

crwdns2934271:0crwdnd2934271:0crwdne2934271:0

like I said, you might not have to resolder if you can just reflow the existing solder. If you have the patience, just use a very small brush to flux the leads and then clean, flux and tin the tip of the solder gun. clean and re-tin the solder tip on each one and don't use any additional solder. Just put the tinned tip on the lead and it should fill the gap. If you have a solder gun that gets hot enough, you might not need to add any solder, just reflow the stuff that's left to bridge the break.

crwdns2934271:0crwdnd2934271:0crwdne2934271:0

But if my solder is very big? I'll destroy the conyacts!!!

crwdns2934271:0crwdnd2934271:0crwdne2934271:0

crwdns2934273:01crwdne2934273:0

crwdns2934285:0crwdne2934285:0

crwdns2934229:0crwdne2934229:0

Giovanni crwdns2934231:0crwdne2934231:0
crwdns2936625:0crwdne2936625:0:

crwdns2936751:024crwdne2936751:0 2

crwdns2936753:07crwdne2936753:0 12

crwdns2936753:030crwdne2936753:0 26

crwdns2942667:0crwdne2942667:0 7,122