crwdns2933423:0crwdne2933423:0
crwdns2947577:0crwdnd2947577:0crwdne2947577:0

Projector won't switch on

The projector doesn't switch on. Had the power supply replaced a few months ago to solve this problem and it worked for a bit after that but it's given up again. Can anyone advise or provide a service manual?

crwdns2934081:0crwdne2934081:0 crwdns2934083:0crwdne2934083:0 crwdns2934093:0crwdne2934093:0

crwdns2934109:0crwdne2934109:0

crwdns2889612:0crwdne2889612:0 2
crwdns2944067:02crwdne2944067:0

hello can you tell where i can find a power supply for my plc xp 57 which is the model above yours ,i think the same power supply will work ,i look all over the net and i can't find it,thanks in advance

crwdns2934271:0crwdnd2934271:0crwdne2934271:0

epson eb-s03 projector have power suppy but can't turn on. when I plug power have a blue coler in button but can't turn on it

crwdns2934271:0crwdnd2934271:0crwdne2934271:0

crwdns2934285:0crwdne2934285:0

crwdns2933315:03crwdne2933315:0

crwdns2934051:0crwdne2934051:0

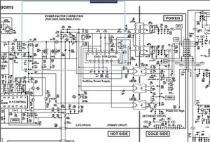
David Hicks, I'd definitely check the power supply first. Of course, start with the fuse F601 and R661 on the logic board. BTW,here you go :-)

Block Image

crwdns2934105:0crwdne2934105:0

crwdns2889612:0crwdne2889612:0 3

crwdns2944067:05crwdne2944067:0:

Thank you. The manual shows where the components are on the circuit board but refers to the main service manual which, I assume, will show how to take things apart to get at the board! Can you provide that one too?

crwdns2934271:0crwdnd2934271:0crwdne2934271:0

found the main service manual at http://diagramas.diagramasde.com/otros/P.... Typical: the power supply board is at the bottom and requires almost complete disassembly...

crwdns2934271:0crwdnd2934271:0crwdne2934271:0

Of course, you did not expect anything easy and user friendly :-) BTW good find, I will delete my link ;-)

crwdns2934271:0crwdnd2934271:0crwdne2934271:0

i guess not. since it's broken and the supplier's advice is to cut my losses and replace I've got nothing to lose by taking it apart... more in hope than expectation. Thank you for your help. oldturkey03.

crwdns2934271:0crwdnd2934271:0crwdne2934271:0

That is where places like this one, ifixit, does come in handy. If we would listen to the resellers and suppliers, we would be throwing stuff out, just to turn around and spend some more money on new ones. I bet the repair for your projector will only cost a fraction of what a new one would be....best of luck to you and let us know how it is working out.

crwdns2934271:0crwdnd2934271:0crwdne2934271:0

crwdns2934285:0crwdne2934285:0

i think the power ic..replace the power ic and then change the new power ic..

crwdns2934105:0crwdne2934105:0

crwdns2889612:0crwdne2889612:0 0
crwdns2934285:0crwdne2934285:0

Check the connector between the lamp and the ballast for oxidation on the contacts

especially the end of the ballast cord with the connector the lamp plugs into and clean with abrasives.

crwdns2934105:0crwdne2934105:0

crwdns2889612:0crwdne2889612:0 0
crwdns2934285:0crwdne2934285:0

crwdns2934229:0crwdne2934229:0

David Hicks crwdns2934231:0crwdne2934231:0
crwdns2936625:0crwdne2936625:0:

crwdns2936751:024crwdne2936751:0 2

crwdns2936753:07crwdne2936753:0 10

crwdns2936753:030crwdne2936753:0 35

crwdns2942667:0crwdne2942667:0 37,715